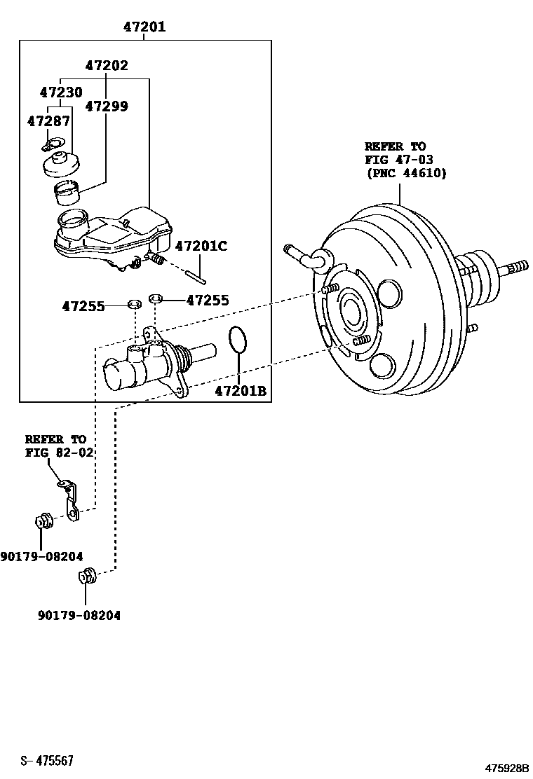
BRAKE MASTER CYLINDER

4703
47201BRING, O(FOR BRAKE MASTER CYLINDER)
47201CRING PIN, BRAKE MASTER CYLINDER
47202RESERVOIR SUB-ASSY, BRAKE MASTER CYLINDER
47230CAP ASSY, BRAKE MASTER CYLINDER RESERVOIR FILLER
sub47230-0R030
47255GROMMET, MASTER CYLINDER RESERVOIR
sub90016-AT001
47287LABEL, BRAKE FLUID INFORMATION
47299STRAINER, BRAKE MASTER CYLINDER RESERVOIR
8202
9017908204
main90179-08204
11 parts on this diagram · 1 diagram in section