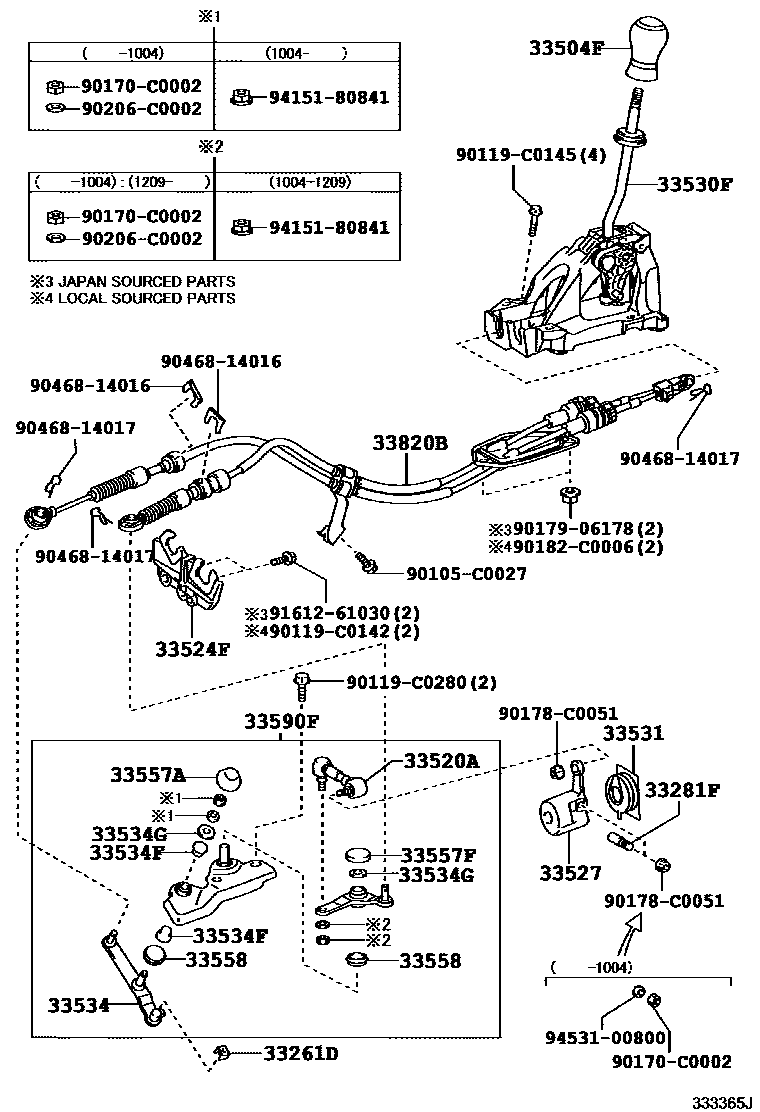
SHIFT LEVER & RETAINER

33281FPIN, LEVER LOCK (FOR FLOOR SHIFT)
33504FKNOB SUB-ASSY, SHIFT LEVER
DK.GRAY,TRIM1#,4#
ASH BROWN,TRIM4#
DK.GRAY,TRIM1#
ASH BROWN,TRIM4#
DK.GRAY,TRIM4#
DK.GRAY,TRIM1#
DK.GRAY,TRIM4#
33520ASHAFT ASSY, FLOOR SHIFT CONTROL
33524FBRACKET, CONTROL LEVER HOUSING SUPPORT (FOR FLOOR SHIFT)
33527LEVER, CONTROL SHIFT (FOR FLOOR SHIFT)
33531BOOT, DUST (FOR CONTROL SHIFT LEVER)
33534BELLCRANK, SELECTING
33534GWASHER, PLATE (FOR SELECTING BELLCRANK NO.2)
33557FCOVER, CONTROL BELLCRANK DUST (FOR FLOOR SHIFT)
33820BCABLE ASSY, TRANSMISSION CONTROL
90105C0027
main90105-C0027
90119C0142
main90119-C0142
90119C0145
main90119-C0145
90119C0280
main90119-C0280
90170C0002
main90170-C0002
90178C0051
main90178-C0051
9017906178
90182C0006
main90182-C0006
90206C0002
main90206-C0002
9046814016
9046814017
9161261030
9415180841
9453100800
30 parts on this diagram · 7 diagrams in section