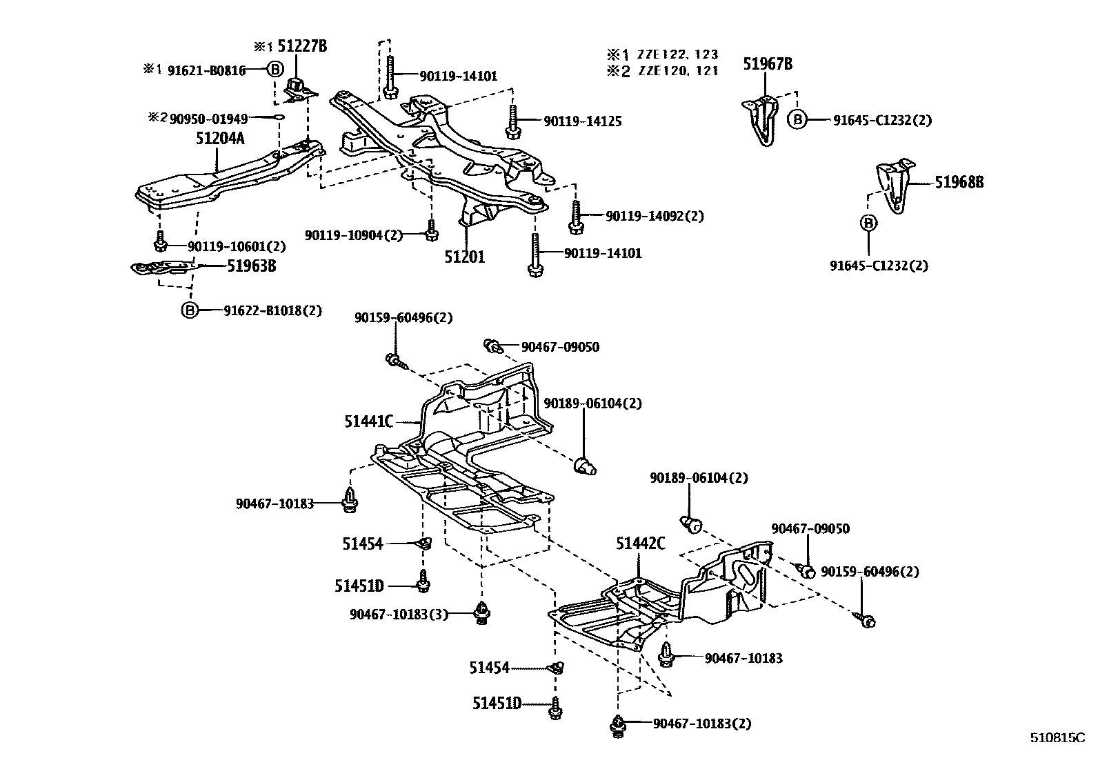
SUSPENSION CROSSMEMBER & UNDER COVER

51201CROSSMEMBER SUB-ASSY, FRONT SUSPENSION
51204AMEMBER SUB-ASSY, ENGINE MOUNTING, CENTER
SAVP PART
51227BDAMPER, FRONT SUSPENSION MEMBER DYNAMIC
51441CCOVER, ENGINE UNDER, RH
51442CCOVER, ENGINE UNDER, LH
51451DSCREW, NO.1
51454CLIP
51963BHOOK, TRANSPORT, FRONT RH
W(FRONT SPOILER)
51967BHOOK, TRANSPORT, REAR RH
51968BHOOK, TRANSPORT, REAR LH
9011910601
main90119-10601
9011910904
main90119-10904
9011914092
main90119-14092
9011914101
main90119-14101
9011914125
main90119-14125
9015960496
main90159-60496
9018906104
main90189-06104
9046709050
main90467-09050
9046710183
main90467-10183
9095001949
main90950-01949
91621B0816
main91621-B0816
91622B1018
main91622-B1018
91645C1232
main91645-C1232
23 parts on this diagram · 1 diagram in section