VALVE BODY & OIL STRAINER (ATM)

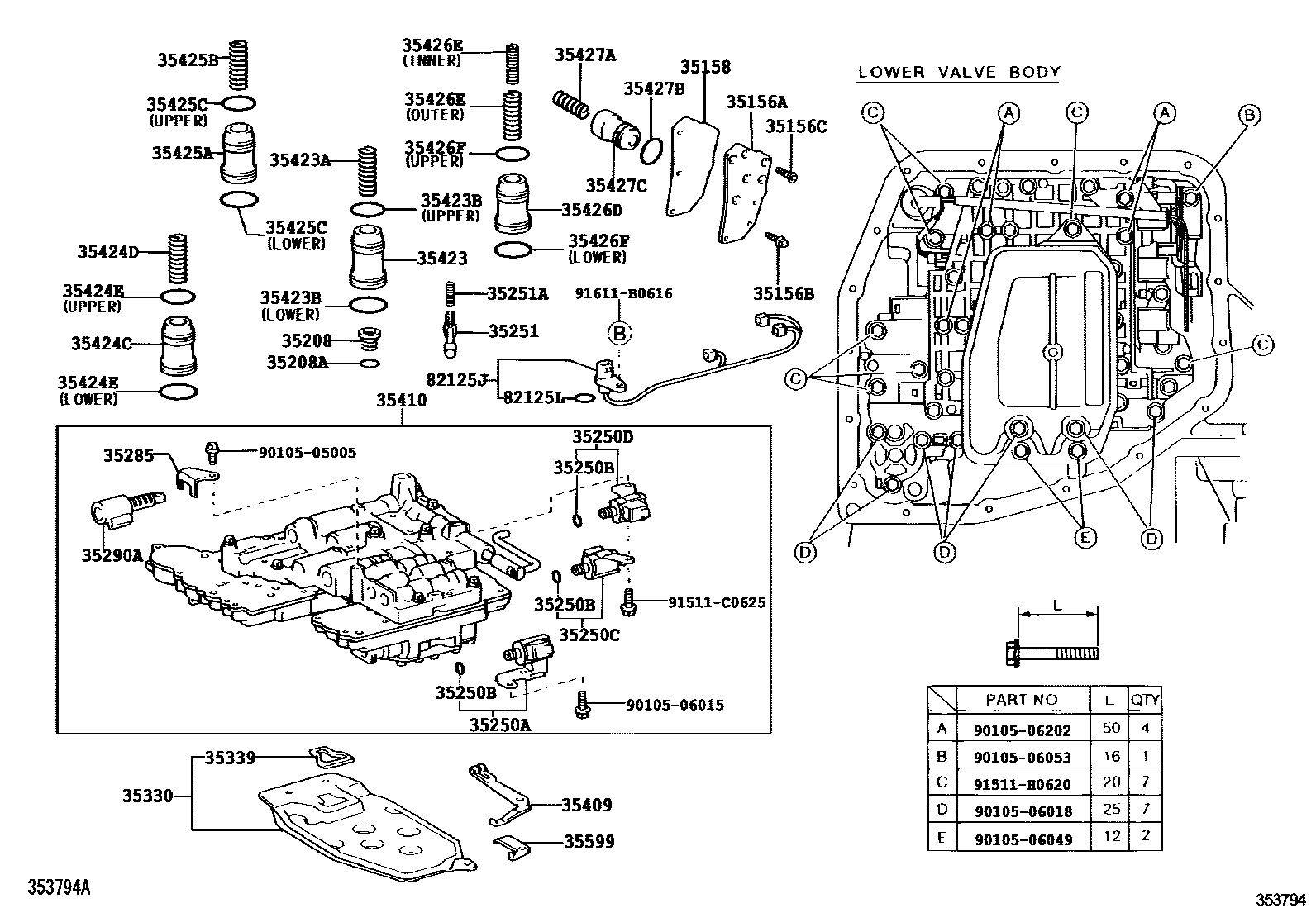
35156APLATE, TRANSMISSION CASE, NO.2
35156BBOLT(FOR TRANSMISSION CASE NO.2 PLATE)
35156CSCREW(FOR TRANSMISSION CASE NO.2 PLATE)
35158GASKET, TRANSMISSION CASE, NO.2 PLATE
35208SPRING SUB-ASSY, B-2 ACCUMULATOR
35208ARING, HOLE SNAP (FOR B-2 ACCUMULATOR SPRING)
35250ASOLENOID ASSY, TRANSMISSION, NO.3
35250BRING, O NO.3(FOR TRANSMISSION SOLENOID)
35250CSOLENOID ASSY, TRANSMISSION NO.1
35250DSOLENOID ASSY, TRANSMISSION NO.2
35251BODY, CHECK BALL
35251ASPRING, COMPRESSION (FOR CHECK BALL BODY)
35285PLATE, SOLENOID LOCK
35290ASOLENOID ASSY, LINE PRESSURE CONTROL
35330STRAINER ASSY, VALVE BODY OIL
35339GASKET, OIL STRAINER
35409SPRING SUB-ASSY, MANUAL DETENT
35410BODY ASSY, TRANSMISSION VALVE
35423PISTON, B-2 ACCUMULATOR
35423ASPRING, COMPRESSION (FOR B-2 ACCUMULATOR PISTON)
35423BRING, O (FOR B-2 ACCUMULATOR PISTON)
UPPER
LOWER
35424CPISTON, C-1 ACCUMULATOR
35424DSPRING, COMPRESSION (FOR C-1 ACCUMULATOR PISTON)
35424ERING, O (FOR C-1 ACCUMULATOR PISTON)
UPPER
LOWER
35425APISTON, C-2 ACCUMULATOR
35425BSPRING, COMPRESSION (FOR C-2 ACCUMULATOR PISTON)
35425CRING, O (FOR C-2 ACCUMULATOR PISTON)
UPPER
LOWER
35426DPISTON, C-3 ACCUMULATOR
35426ESPRING, COMPRESSION (FOR C-3 ACCUMULATOR PISTON)
INNER
OUTER
35426FRING, O (FOR C-3 ACCUMULATOR PISTON)
UPPER
LOWER
35427ASPRING, COMPRESSION (FOR B-4 ACCUMULATOR PISTON)
35427BRING, O (FOR B-4 ACCUMULATOR PISTON)
35427CPISTON, B-4 ACCUMULATOR
35599COVER, MANUAL DETENT SPRING
82125JWIRE, TRANSMISSION
82125LRING, O(FOR TRANSMISSION WIRE)
9010505005
main90105-05005
9010506015
main90105-06015
9010506018
main90105-06018
9010506049
main90105-06049
9010506053
main90105-06053
9010506202
main90105-06202
91511C0625
main91511-C0625
91511H0620
main91511-H0620
91611B0616
main91611-B0616
45 parts on this diagram · 2 diagrams in section