E
EPC Data

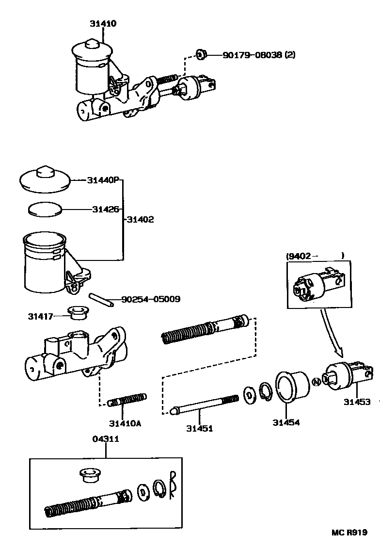
CLUTCH MASTER CYLINDER

Parts diagram
04311CYLINDER KIT, CLUTCH MASTER
main04311-12060i199009-199205
main04311-12080i199205-199402
main04311-12110i199402-199508
main04311-60150i199402-199508
31402RESERVOIR SUB-ASSY, CLUTCH MASTER CYLINDER
main31402-12030i199009-199402
main31402-12040i199009-199402
main31402-12050i199402-199508
main31402-12060i199402-199508
31410CYLINDER ASSY, CLUTCH MASTER
main31410-12312i199402-199508
main31410-12320i199009-199402
main31410-12350i199009-199402
main31410-12380i199402-199508
31410ABOLT(FOR CLUTCH MASTER CYLINDER SETTING)
main90116-08146×2i199009-199508
31417GROMMET, CLUTCH RESERVOIR
main31417-35010i199009-199508
31426FLOAT, CLUTCH MASTER CYLINDER RESERVOIR
main31426-22020i199009-199508
main31426-30011i199009-199508
31440PCAP ASSY, CLUTCH MASTER CYLINDER RESERVOIR FILLER
main47230-20040i199009-199508
31451ROD, CLUTCH MASTER CYLINDER PUSH
main31451-35080i199009-199508
31453CLEVIS, CLUTCH MASTER CYLINDER PUSH ROD
main31404-12020i199009-199402
main31404-17010i199402-199508
31454BOOT, CLUTCH MASTER CYLINDER
main31454-14010i199403-199508
main31454-16010i199204-199403
main31454-24010i199009-199204
9017908038
9025405009

12 parts on this diagram · 2 diagrams in section

CLUTCH MASTER CYLINDER — Toyota Parts Diagram with OEM Numbers & Prices | EPC Data