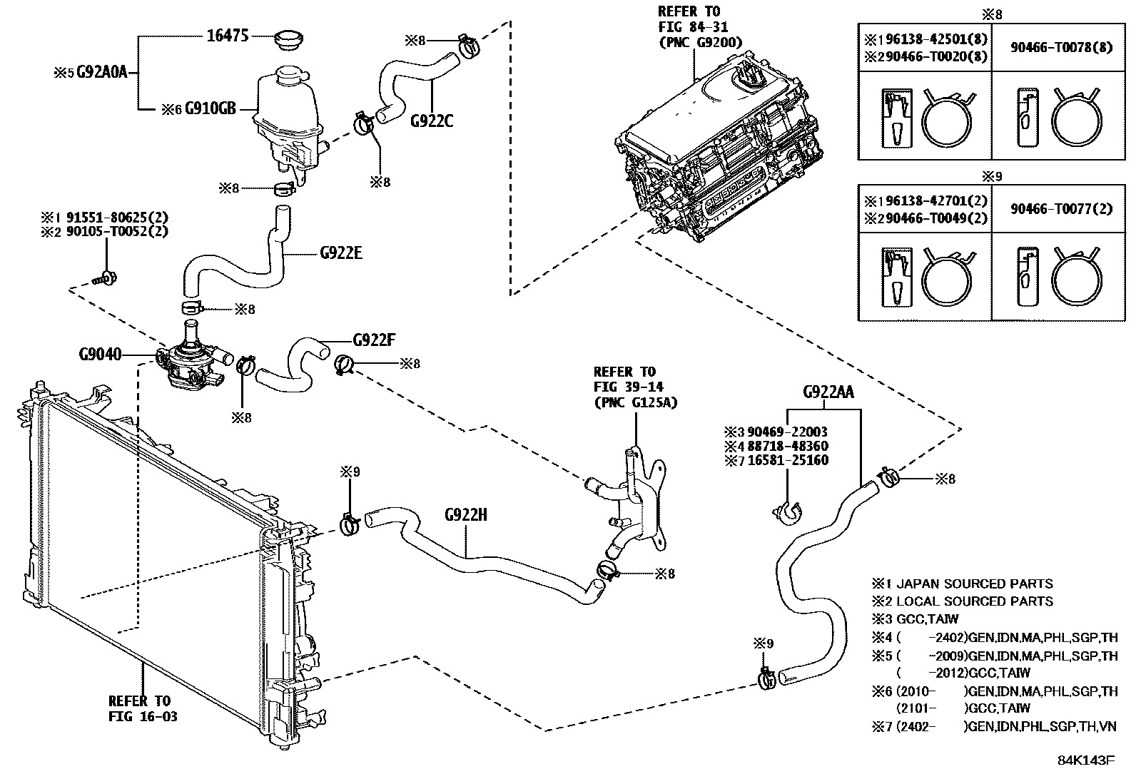
INVERTER COOLING

1603
16475CAP, RESERVE TANK
3914
8431
G9040INVERTER WATER PUMP ASSY(W/MOTOR)
G910GBTANK SUB-ASSY, INVERTER RESERVE W/O CAP
G922AAHOSE, INVERTER COOLING INLET, NO.1
G922CHOSE, INVERTER COOLING OUTLET, NO.1
G922EHOSE, HYBRID WATER PUMP INLET
G922FHOSE, HYBRID WATER PUMP OUTLET, NO.1
G922HHOSE, HYBRID RADIATOR INLET
G92A0ATANK ASSY, INVERTER RESERVE
1658125160CLAMP, HOSE(FOR WATER HOSE)
main16581-25160
8871848360PIPE, COOLER REFRIGERANT SUCTION, NO.2
main88718-48360
90105T0052
main90105-T0052
90466T0020
main90466-T0020
90466T0049
main90466-T0049
90466T0077
main90466-T0077
90466T0078
main90466-T0078
9046922003
main90469-22003
9155180625
main91551-80625
9613842501
main96138-42501
9613842701
main96138-42701
23 parts on this diagram · 1 diagram in section