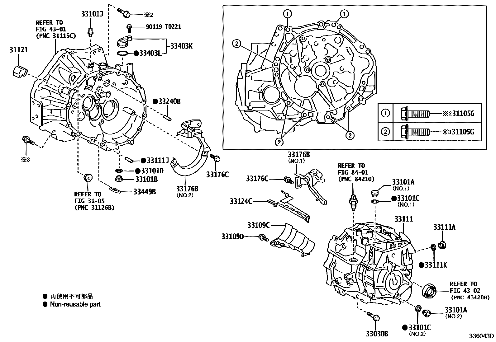
CLUTCH HOUSING & TRANSMISSION CASE (MTM)

3105
31105GBOLT(FOR TRANSAXLE CASE & ENGINE SETTING)
*10-1.25PX45-30
31121COVER, CLUTCH HOUSING, NO.1
33030BBOLT(FOR TRANSAXLE CASE & TRANSMISSION CASE SETTING)
*8-1.25PX40-22
33101APLUG(FOR MANUAL TRANSMISSION FILLER)
NO.1:REFER ILLUST.
NO.2:REFER ILLUST.
33101BPLUG(FOR MANUAL TRANSMISSION DRAIN)
33101CGASKET(FOR MANUAL TRANSMISSION FILLER PLUG)
NO.2:REFER ILLUST.
NO.1:REFER ILLUST.
33101DGASKET(FOR MANUAL TRANSMISSION DRAIN PLUG)
33101JPLUG, BREATHER
33109CSEPARATOR SUB-ASSY, MANUAL TRANSMISSION OIL
33109DBOLT(FOR MANUAL TRANSMISSION OIL SEPARATOR)
33111CASE, MANUAL TRANSMISSION
sub33111-12293
33111APLUG, MANUAL TRANSMISSION CASE
33111JPIN, STRAIGHT(FOR MANUAL TRANSMISSION CASE)
L=23,OD=8
33111KGASKET(FOR TRANSMISSION CASE)
33124CPIPE, OIL RECEIVER, NO.1(MTM)
33176BSEPARATOR, TRANSMISSION OIL(MTM)
NO.1:REFER ILLUST.
NO.2:REFER ILLUST.
33176CBOLT(FOR TRANSMISSION OIL SEPARATOR)
33240BPIN, STRAIGHT(FOR REVERSE SHIFT ARM BRACKET)
33403KCOVER SUB-ASSY, SPEEDOMETER DRIVEN HOLE
33403LRING, O
33449BMAGNET, TRANSMISSION
4301
4302
8401
90119T0221
main90119-T0221
26 parts on this diagram · 1 diagram in section