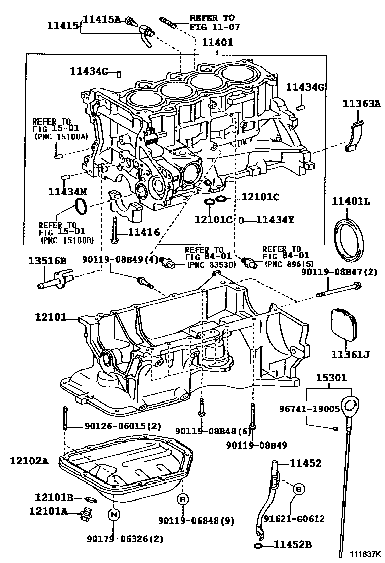
CYLINDER BLOCK

1107
11361JCOVER, FLYWHEEL HOUSING UNDER
(L)
(J)
11363ACOVER, FLYWHEEL HOUSING SIDE
11401BLOCK SUB-ASSY, CYLINDER
sub11401-29845
sub11401-29846
sub11410-29155
sub11410-29165
main11410-29205i3ZZFE..ZZE121..TAIW,TH;3ZZFE..ZZE121..MTM..PHL;3ZZFE..ZZE121..ATM..16E..(MA,PHL)200310-200604
sub11410-29155
sub11410-29165
11415COCK SUB-ASSY, WATER DRAIN(FOR CYLINDER BLOCK)
11415APLUG, WATER DRAIN COCK(FOR CYLINDER BLOCK)
11434CPIN, STRAIGHT (FOR CYLINDER HEAD SET)
L=18,OD=8
11434GPIN, STRAIGHT(FOR END PLATE)
11434MPIN, STRAIGHT(FOR CHAIN TENSIONER)
11434YPIN, STRAIGHT(FOR OIL PAN)
11452GUIDE, OIL LEVEL GAGE
11452BRING, O(FOR OIL LEVEL GAGE GUIDE)
12101PAN SUB-ASSY, OIL
(L)
(J)
12101APLUG(FOR OIL PAN DRAIN)
12101BGASKET(FOR OIL PAN DRAIN PLUG)
12101CRING, O(FOR OIL PAN)
12102APAN SUB-ASSY, OIL, NO.2
13516BJET, OIL
sub13516-21011
1501
8401
9011906848
main90119-06848
9011908B47
main90119-08B47
9011908B48
main90119-08B48
9011908B49
main90119-08B49
9012606015
main90126-06015
9017906326
main90179-06326
91621G0612
main91621-G0612
9674119005
main96741-19005
31 parts on this diagram · 2 diagrams in section