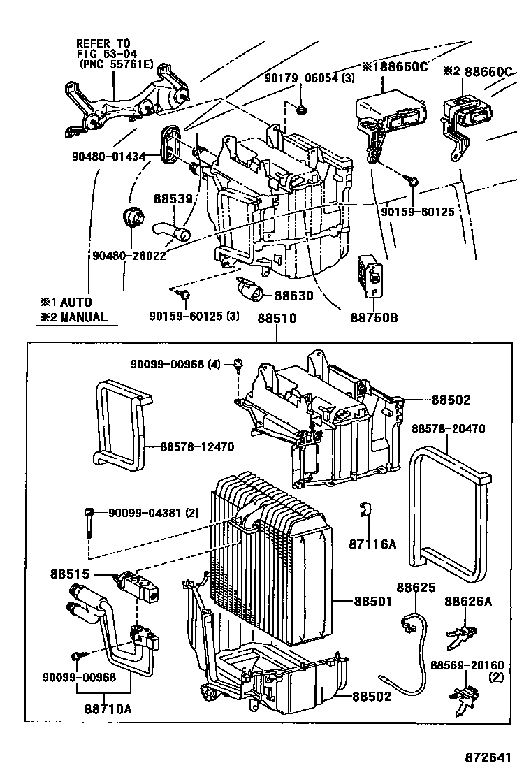
HEATING & AIR CONDITIONING - COOLER UNIT

5304
87116ASPRING, HOLDING (FOR COOLER UNIT CASE)
88501EVAPORATOR SUB-ASSY, COOLER, NO.1
88502CASE SUB-ASSY, COOLING UNIT
LOWER
UPPER
W(AUTOMATIC AIR CONDITIONER),UPPER
88510UNIT ASSY, COOLER
W(AUTOMATIC AIR CONDITIONER)
88515VALVE, COOLER EXPANSION
sub88515-22240
88539HOSE, COOLER UNIT DRAIN, NO.1
88625THERMISTOR, COOLER, NO.1
88626AHOLDER, THERMISTOR
88630RELAY ASSY, COOLER
88650CAMPLIFIER SUB-ASSY, AIRCONDITIONER
W(AUTOMATIC AIR CONDITIONER)
88710ATUBE ASSY, AIR CONDITIONER
88750BTRANSISTOR ASSY, BLOWER RESISTOR
8856920160CLAMP (FOR COOLER RELAY)
main88569-20160
8857812470PAKING, COOLER AIR DUCT
main88578-12470
8857820470PAKING, COOLER AIR DUCT
main88578-20470
9009900968
main90099-00968
9009904381
main90099-04381
9015960125
main90159-60125
9017906054
main90179-06054
9048001434
main90480-01434
9048026022
main90480-26022
22 parts on this diagram · 2 diagrams in section