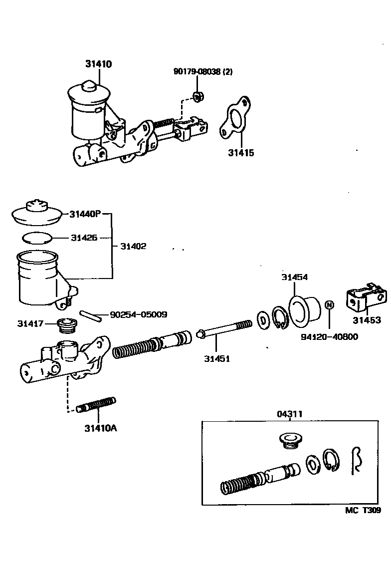
CLUTCH MASTER CYLINDER

04311CYLINDER KIT, CLUTCH MASTER
main04311-12110iAE111,EE11#..MTM;AE112..5F..XLI..(BZ,GCC,GEN,IDN);AE110,112,CE110..5F..(GLI,SEG,XL)199812
31402RESERVOIR SUB-ASSY, CLUTCH MASTER CYLINDER
main31402-12060iAE112..XLI..IDN;AE111,EE111..RHD..5F;AE110,112,EE110..RHD..5F..(GL,GLI,SEG,XL)199812-200207
31410CYLINDER ASSY, CLUTCH MASTER
main31410-12312iAE111..5F..MA;AE110,112..5F..(ARL,IDN,NZ,TH);AE110,EE110..RHD..5F..(GL,GLI,XL);AE111,EE111..RHD..5F..(GL,GLI,XL,XLI)199704-199812
main31410-12380iAE112..LHD..5F;EE110..LHD..MTM..(GCC,GEN);AE111,CE110..LHD..SED..5F..(GCC,GEN,VEN)199704-199807
main31410-12381iEE110..LHD..MTM..(GCC,GEN);AE112,CE110,EE111..LHD..5F..(GCC,GEN,VEN);AE111,ZZE11#..LHD..SED..5F..(GCC,GEN,TUR,VEN)199807-200208
31410ABOLT(FOR CLUTCH MASTER CYLINDER SETTING)
main90116-08146×2iAE111..RHD..WG;EE110..MTM..(GCC,GEN);AE112,EE111..5F..(ARL,GCC,GEN,VEN);AE110,111,CE110..SED..5F..(GCC,GEN,TUR,VEN)199505-199812
31415GASKET, CLUTCH MASTER CYLINDER
main31415-10010iAE111..RHD..WG;EE110..MTM..(GCC,GEN);AE112,EE111..5F..(ARL,GCC,GEN,VEN);AE110,111,CE110..SED..5F..(GCC,GEN,TUR,VEN)199505-199812
31417GROMMET, CLUTCH RESERVOIR
main31417-35010iAE110..5F..TH;AE111..5F..MA;AE110..5F..GLI;AE112,CE110,EE11#..MTM;AE111..5F..(GL,GLI,XL,XLI)199704-199812
31426FLOAT, CLUTCH MASTER CYLINDER RESERVOIR
main31426-22020iEE110..LHD..MTM..(GCC,GEN);AE112,CE110,EE111..LHD..5F..(GCC,GEN,VEN);AE111,ZZE11#..LHD..SED..5F..(GCC,GEN,TUR,VEN)199704-200208
main31426-30011iAE112..XLI..IDN;AE111,EE111..RHD..5F;AE110,112,CE110,EE110..RHD..5F..(GL,GLI,SEG,XL)199812-200207
31440PCAP ASSY, CLUTCH MASTER CYLINDER RESERVOIR FILLER
main47230-20040iAE111..RHD..WG;EE110..MTM..(GCC,GEN);AE112,EE111..5F..(ARL,GCC,GEN,VEN);AE110,111,CE110..SED..5F..(GCC,GEN,TUR,VEN)199505-199812
31451ROD, CLUTCH MASTER CYLINDER PUSH
main31451-35080iAE110..5F..TH;AE111..5F..MA;AE110..5F..GLI;AE112,CE110,EE11#..MTM;AE111..5F..(GL,GLI,XL,XLI)199704-199812
31453CLEVIS, CLUTCH MASTER CYLINDER PUSH ROD
main31404-17010iAE110..5F..TH;AE111..5F..MA;AE110..5F..GLI;AE112,CE110,EE11#..MTM;AE111..5F..(GL,GLI,XL,XLI)199704-199812
31454BOOT, CLUTCH MASTER CYLINDER
main31454-14010iEE110..LHD..MTM..(GCC,GEN);AE112,CE110,EE111..LHD..5F..(GCC,GEN,VEN);AE111,ZZE11#..LHD..SED..5F..(GCC,GEN,TUR,VEN)199704-200208
9017908038
main90179-08038
9025405009
main90254-05009
9412040800
main94120-40800
14 parts on this diagram · 2 diagrams in section