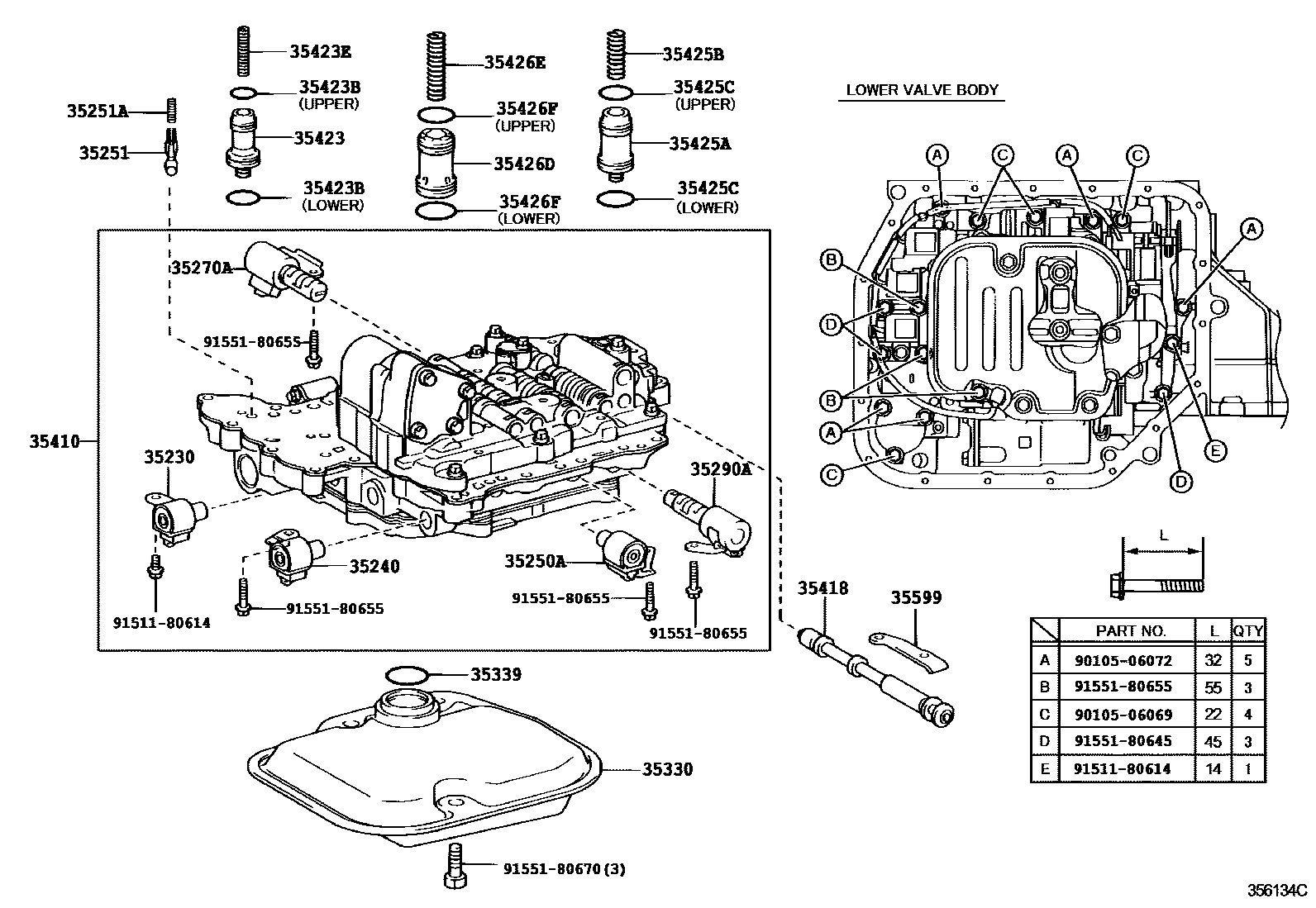
VALVE BODY & OIL STRAINER (ATM)

35230SOLENOID ASSY, TRANSMISSION 3WAY, NO.2
35240SOLENOID ASSY, AUTOMATIC TRANSMISSION 3WAY
35250ASOLENOID ASSY, TRANSMISSION, NO.3
35251BODY, CHECK BALL
35251ASPRING, COMPRESSION (FOR CHECK BALL BODY)
35270ASOLENOID ASSY, TRANSMISSION 3WAY LOCK UP
35290ASOLENOID ASSY, LINE PRESSURE CONTROL
35330STRAINER ASSY, VALVE BODY OIL
35339GASKET, OIL STRAINER
35410BODY ASSY, TRANSMISSION VALVE
35418VALVE, MANUAL
35423PISTON, B-2 ACCUMULATOR
35423BRING, O (FOR B-2 ACCUMULATOR PISTON)
UPPER
LOWER
35423ESPRING, COMPRESSION (FOR B-2 ACCMULATOR PISTON)
35425APISTON, C-2 ACCUMULATOR
35425BSPRING, COMPRESSION (FOR C-2 ACCUMULATOR PISTON)
35425CRING, O (FOR C-2 ACCUMULATOR PISTON)
LOWER
UPPER
35426DPISTON, C-3 ACCUMULATOR
35426ESPRING, COMPRESSION (FOR C-3 ACCUMULATOR PISTON)
35426FRING, O (FOR C-3 ACCUMULATOR PISTON)
UPPER
LOWER
35599COVER, MANUAL DETENT SPRING
9010506069
9010506072
9151180614
9155180645
9155180655
9155180670
27 parts on this diagram · 4 diagrams in section