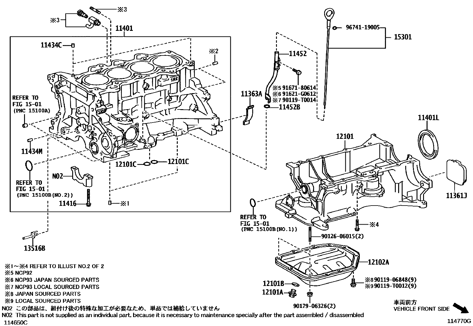
CYLINDER BLOCK

11361JCOVER, FLYWHEEL HOUSING UNDER
11363ACOVER, FLYWHEEL HOUSING SIDE
11401LSEAL, ENGINE REAR OIL
(L)
(L)
11416BOLT(FOR CRANKSHAFT BEARING CAP SET)
sub90910-02207
11434CPIN, STRAIGHT (FOR CYLINDER HEAD SET)
L=18,OD=8,(J)
L=18,OD=8,(L)
11434MPIN, STRAIGHT(FOR CHAIN TENSIONER)
(L)
11452GUIDE, OIL LEVEL GAGE
(L)
11452BRING, O(FOR OIL LEVEL GAGE GUIDE)
(L)
12101PAN SUB-ASSY, OIL
(L)
12101APLUG(FOR OIL PAN DRAIN)
12101BGASKET(FOR OIL PAN DRAIN PLUG)
12101CRING, O(FOR OIL PAN)
(L)
12102APAN SUB-ASSY, OIL, NO.2
(L)
13516BJET, OIL
sub13516-21011
1501
9011906848
main90119-06848
90119T0012
main90119-T0012
90119T0014
main90119-T0014
9012606015
main90126-06015
9017906326
main90179-06326
91621G0612
main91621-G0612
9167180614
main91671-80614
9674119005
main96741-19005
25 parts on this diagram · 2 diagrams in section