E
EPC Data

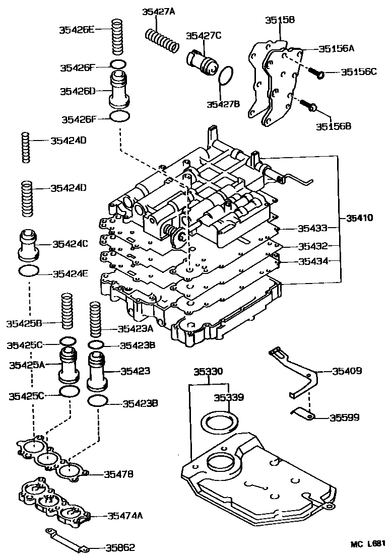
VALVE BODY & OIL STRAINER (ATM)

Parts diagram
35156APLATE, TRANSMISSION CASE, NO.2
main35156-20010i199104-199508
35156BBOLT(FOR TRANSMISSION CASE NO.2 PLATE)
main90105-06049i199104-199508
35156CSCREW(FOR TRANSMISSION CASE NO.2 PLATE)
main90149-60041i199104-199508
35158GASKET, TRANSMISSION CASE, NO.2 PLATE
main35158-20020i199104-199508
35330STRAINER ASSY, VALVE BODY OIL
main35330-12020i199104-199508
35339GASKET, OIL STRAINER
main35339-12010i199104-199508
35409SPRING SUB-ASSY, MANUAL DETENT
main35409-20010i199104-199508
35410BODY ASSY, TRANSMISSION VALVE
main35410-16130i199104-199408
main35410-16131i199408-199502
main35410-16132i199502-199508
35423PISTON, B-2 ACCUMULATOR
main35423-20030i199409-199508
main35423-32010i199104-199409
35423ASPRING, COMPRESSION (FOR B-2 ACCUMULATOR PISTON)
main90501-25011i199104-199409
main90501-26082i199409-199508
35423BRING, O (FOR B-2 ACCUMULATOR PISTON)
main90301-22185i199104-199508
UPR
main90301-29187i199104-199508
LWR
35424CPISTON, C-1 ACCUMULATOR
main35424-20010i199104-199409
main35424-20030i199409-199508
35424DSPRING, COMPRESSION (FOR C-1 ACCUMULATOR PISTON)
main90501-19023i199302-199508
INNER
main90501-23058i199104-199302
INNER
main90501-23065i199104-199302
OUTER
main90501-25044i199302-199508
OUTER
35424ERING, O (FOR C-1 ACCUMULATOR PISTON)
main90301-29187i199104-199508
35425APISTON, C-2 ACCUMULATOR
main35425-12020i199104-199508
35425BSPRING, COMPRESSION (FOR C-2 ACCUMULATOR PISTON)
main90501-23063i199104-199409
main90501-25024i199409-199508
35425CRING, O (FOR C-2 ACCUMULATOR PISTON)
main90301-23194i199104-199508
UPR
main90301-29187i199104-199508
LWR
35426DPISTON, C-3 ACCUMULATOR
main35426-12020i199104-199409
main35426-20020i199409-199508
35426ESPRING, COMPRESSION (FOR C-3 ACCUMULATOR PISTON)
main90501-23050i199104-199409
main90501-23113i199409-199508
35426FRING, O (FOR C-3 ACCUMULATOR PISTON)
main90301-20002i199104-199508
UPR
main90301-29187i199104-199508
LWR
35427ASPRING, COMPRESSION (FOR B-4 ACCUMULATOR PISTON)
main90501-26040i199104-199508
35427BRING, O (FOR B-4 ACCUMULATOR PISTON)
main90301-22185i199104-199508
35427CPISTON, B-4 ACCUMULATOR
main35427-12010i199104-199508
35432PLATE, VALVE BODY, NO.1
main35432-16040i199104-199408
main35432-16050i199408-199508
35433GASKET, VALVE BODY, NO.1
main35433-12020i199104-199408
main35433-16030i199408-199508
35434GASKET, VALVE BODY, NO.2
main35434-12010i199104-199408
main35434-16030i199408-199508
35474ACOVER, ACCUMULATOR
main35474-12010i199104-199508
35478GASKET, ACCUMULATOR COVER
main35478-32010i199104-199508
35599COVER, MANUAL DETENT SPRING
main35599-12010i199104-199508
35862BRACKET, ACCUMULATOR APPLY TUBE
main35862-12020i199104-199508

30 parts on this diagram · 5 diagrams in section

VALVE BODY & OIL STRAINER (ATM) — Toyota Parts Diagram with OEM Numbers & Prices | EPC Data