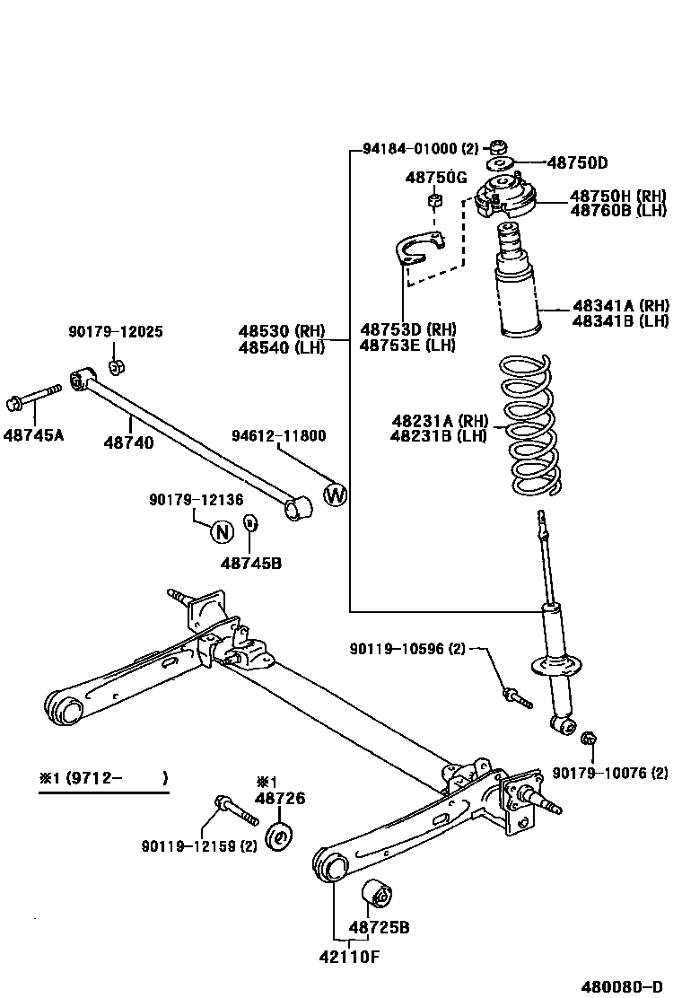
REAR SPRING & SHOCK ABSORBER

42110FBEAM ASSY, REAR AXLE
W(ABS)
48231ASPRING, COIL, REAR RH
ROUGH ROAD PACKAGE
48231BSPRING, COIL, REAR LH
ROUGH ROAD PACKAGE
48341ABUMPER, REAR SPRING, NO.1 RH
48341BBUMPER, REAR SPRING, NO.1 LH
48725BBUSH, REAR SUSPENSION ARM, NO.1
48726SEAT, REAR SUSPENSION ARM
48740ROD ASSY, REAR LATERAL CONTROL
48745ABOLT, HEXAGON(FOR LATERAL CONTROL ROD)
48745BWASHER, LATERAL CONTROL ROD CUSHION
48750DRETAINER(FOR REAR SUPPORT TO REAR SHOCK ABSORBER)
48750GNUT(FOR REAR SUSPENSION SUPPORT)
48750HSUPPORT ASSY, REAR SUSPENSION, RH
ROUGH ROAD PACKAGE
48753DCOVER, REAR SUSPENSION SUPOPORT, NO.2 RH
48753ECOVER, REAR SUSPENSION SUPOPORT, NO.2 LH
48760BSUPPORT ASSY REAR SUSPENSION, LH
ROUGH ROAD PACKAGE
9011910596
main90119-10596
9011912159
main90119-12159
9017910076
main90179-10076
9017912025
main90179-12025
9017912136
main90179-12136
9418401000
main94184-01000
9461211800
main94612-11800
25 parts on this diagram · 1 diagram in section