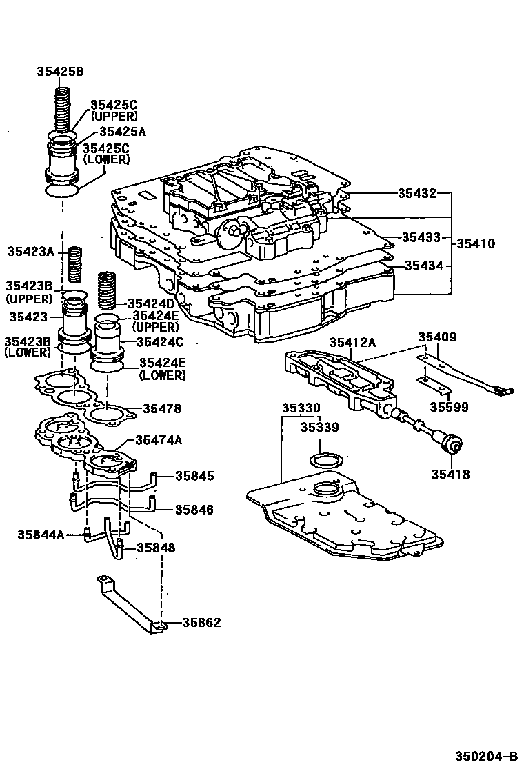
VALVE BODY & OIL STRAINER (ATM)

35410BODY ASSY, TRANSMISSION VALVE
35412ABODY, MANUAL VALVE
35423PISTON, B-2 ACCUMULATOR
35423ASPRING, COMPRESSION (FOR B-2 ACCUMULATOR PISTON)
35423BRING, O (FOR B-2 ACCUMULATOR PISTON)
UPPER
LOWER
LOWER
35424CPISTON, C-1 ACCUMULATOR
35424DSPRING, COMPRESSION (FOR C-1 ACCUMULATOR PISTON)
INNER
INNER
OUTER
35424ERING, O (FOR C-1 ACCUMULATOR PISTON)
UPPER
UPPER
LOWER
LOWER
35425BSPRING, COMPRESSION (FOR C-2 ACCUMULATOR PISTON)
35425CRING, O (FOR C-2 ACCUMULATOR PISTON)
UPPER
UPPER
LOWER
LOWER
35478GASKET, ACCUMULATOR COVER
35844ATUBE, ACCUMULATOR BACK PRESSURE, NO.1
35845TUBE, RR CLUTCH ACCUMULATOR
26 parts on this diagram · 11 diagrams in section