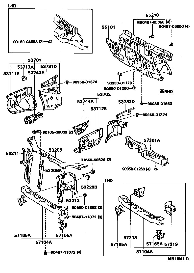
FRONT FENDER APRON & DASH PANEL

53205SUPPORT SUB-ASSY, RADIATOR, UPPER
53208ASUPPORT SUB-ASSY, HOOD LOCK
53211SUPPORT, RADIATOR, RH
53212SUPPORT, RADIATOR, LH
53229BBRACKET, RADIATOR MOUNTING, LOWER NO.2
53711BAPRON, FRONT FENDER, FRONT RH
53717APLATE, FENDER APRON
53731DMEMBER, FRONT APRON TO COWL SIDE, UPPER RH
53732DMEMBER, FRONT APRON TO COWL SIDE, UPPER LH
53743AREINFORCEMENT, FRONT FENDER APRON, FRONT RH
53744AREINFORCEMENT, FRONT FENDER APRON, FRONT LH
57104AMEMBER SUB-ASSY, FRONT CROSS
ROUGH ROAD PACKAGE
57165AREINFORCEMENT, FRONT CROSSMEMBER, NO.2
RH
RH
LH
LH
57301AMEMBER SUB-ASSY, STEERING GEAR BOX SUPPORT
9010506039
main90105-06039
9018904055
main90189-04055
9046705055
main90467-05055
9046705060
main90467-05060
9046711072
main90467-11072
9095001060
main90950-01060
9095001269
main90950-01269
9095001374
main90950-01374
9095001398
main90950-01398
9095001650
main90950-01650
9095001770
main90950-01770
9166660820
main91666-60820
33 parts on this diagram · 1 diagram in section