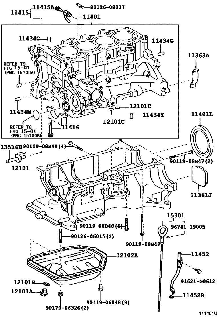
CYLINDER BLOCK

11363ACOVER, FLYWHEEL HOUSING SIDE
11401LSEAL, ENGINE REAR OIL
sub90311-75019
11415COCK SUB-ASSY, WATER DRAIN(FOR CYLINDER BLOCK)
11415APLUG, WATER DRAIN COCK(FOR CYLINDER BLOCK)
11416BOLT(FOR CRANKSHAFT BEARING CAP SET)
sub90910-02207
11434CPIN, STRAIGHT (FOR CYLINDER HEAD SET)
L=18,OD=8
11434GPIN, STRAIGHT(FOR END PLATE)
11434MPIN, STRAIGHT(FOR CHAIN TENSIONER)
11434YPIN, STRAIGHT(FOR OIL PAN)
11452GUIDE, OIL LEVEL GAGE
11452BRING, O(FOR OIL LEVEL GAGE GUIDE)
12101APLUG(FOR OIL PAN DRAIN)
12101BGASKET(FOR OIL PAN DRAIN PLUG)
12101CRING, O(FOR OIL PAN)
12102APAN SUB-ASSY, OIL, NO.2
13516BJET, OIL
sub13516-21011
1501
15301GAGE SUB-ASSY, OIL LEVEL
sub15301-21040
9011906848
main90119-06848
9011908B47
main90119-08B47
9011908B48
main90119-08B48
9011908B49
main90119-08B49
9012606015
main90126-06015
9012608037
main90126-08037
9017906326
main90179-06326
91621G0612
main91621-G0612
9674119005
main96741-19005
30 parts on this diagram · 1 diagram in section