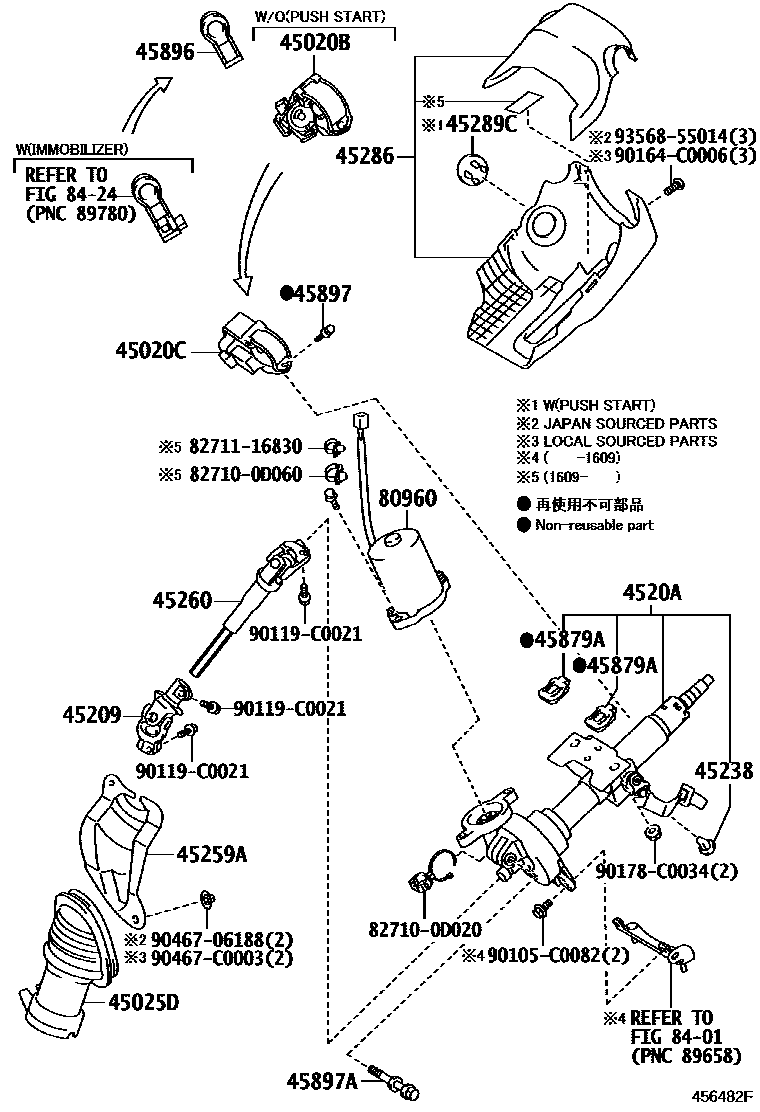
STEERING COLUMN & SHAFT

45020BACTUATOR OR UPPER BRACKET ASSY, STEERING LOCK
45020CACTUATOR ASSY, STEERING LOCK(W/ECU)
20TH ANNIVERSARY PACKAGE
2019/11 PACKAGE(WHITE INTERIOR PANEL)
MOON ROOF PACKAGE
45209YOKE SUB-ASSY, STEERING SLIDING
4520ACOLUMN SUB-ASSY, ELECTRIC POWER STEERING
2019/11 PACKAGE(WHITE INTERIOR PANEL)
MOON ROOF PACKAGE
20TH ANNIVERSARY PACKAGE
45238CLAMP, BOLT(FOR STEERING FLEXIBLE COUPLING)
45259ASHEET, COLUMN HOLE COVER SILENCER
45260SHAFT ASSY, STEERING INTERMEDIATE, NO.2
45286COVER, STEERING COLUMN
DARK BROWN,TRIM0#,2#
BLACK,TRIM0#
BLACK,TRIM0#,2#
2019/11 PACKAGE(WHITE INTERIOR PANEL),BLACK,TRIM2#
BLACK,TRIM1#,2#
45289CCOVER, STEERING COLUMN, LWR NO.2
20TH ANNIVERSARY PACKAGE,BLACK,TRIM1#,2#
BLACK,TRIM0#
BLACK,TRIM0#,2#
2019/11 PACKAGE(WHITE INTERIOR PANEL),BLACK,TRIM2#
MOON ROOF PACKAGE,BLACK,TRIM1#,2#
DK. BROWN,TRIM0#,2#
45879ACAPSULE, BREAK AWAY
45896PLATE, IGNITION SWITCH ATTACHMENT
20TH ANNIVERSARY PACKAGE
MOON ROOF PACKAGE
2019/11 PACKAGE(WHITE INTERIOR PANEL)
45897BOLT, STEERING LOCK SET
45897ABOLT, TILT STEERING PAWL SET
(J)
(L)
80960MOTOR ASSY, POWER STEERING
8401
8424
827100D020HARNESS ASSY, OIL HEATER
main82710-0D020
827100D060HARNESS ASSY, OIL HEATER
main82710-0D060
8271116830WIRE, FUSE TO FUSE(FOR COMBUSTION HEATER)
main82711-16830
90105C0082
main90105-C0082
90119C0021
main90119-C0021
90164C0006
main90164-C0006
90178C0034
main90178-C0034
9046706188
main90467-06188
90467C0003
main90467-C0003
9356855014
main93568-55014
27 parts on this diagram · 1 diagram in section