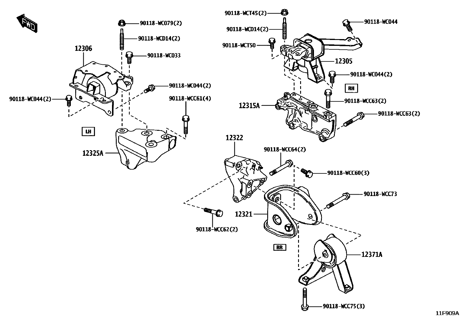
MOUNTING

12305INSULATOR SUB-ASSY, ENGINE MOUNTING, RH
POS.29
12306INSULATOR SUB-ASSY, ENGINE MOUNTING, LH
POS.18
POS.35
12315ABRACKET, ENGINE MOUNTING, RH(FOR TRANSVERSE ENGINE)
POS.29
12321BRACKET, ENGINE MOUNTING, REAR, NO.1
POS.29
12322BRACKET, ENGINE MOUNTING, REAR NO.2
POS.18
POS.35
12325ABRACKET, ENGINE MOUNTING, LH(FOR TRANSVERSE ENGINE)
POS.18
POS.22
12371AINSULATOR, ENGINE MOUNTING, REAR
POS.18
POS.35
90118WC033
main90118-WC033
90118WC044
main90118-WC044
90118WC079
main90118-WC079
90118WCC60
main90118-WCC60
90118WCC61
main90118-WCC61
90118WCC62
main90118-WCC62
90118WCC63
main90118-WCC63
90118WCC64
main90118-WCC64
90118WCC73
main90118-WCC73
90118WCC75
main90118-WCC75
90118WCD14
main90118-WCD14
90118WCT45
main90118-WCT45
90118WCT50
main90118-WCT50
20 parts on this diagram · 2 diagrams in section