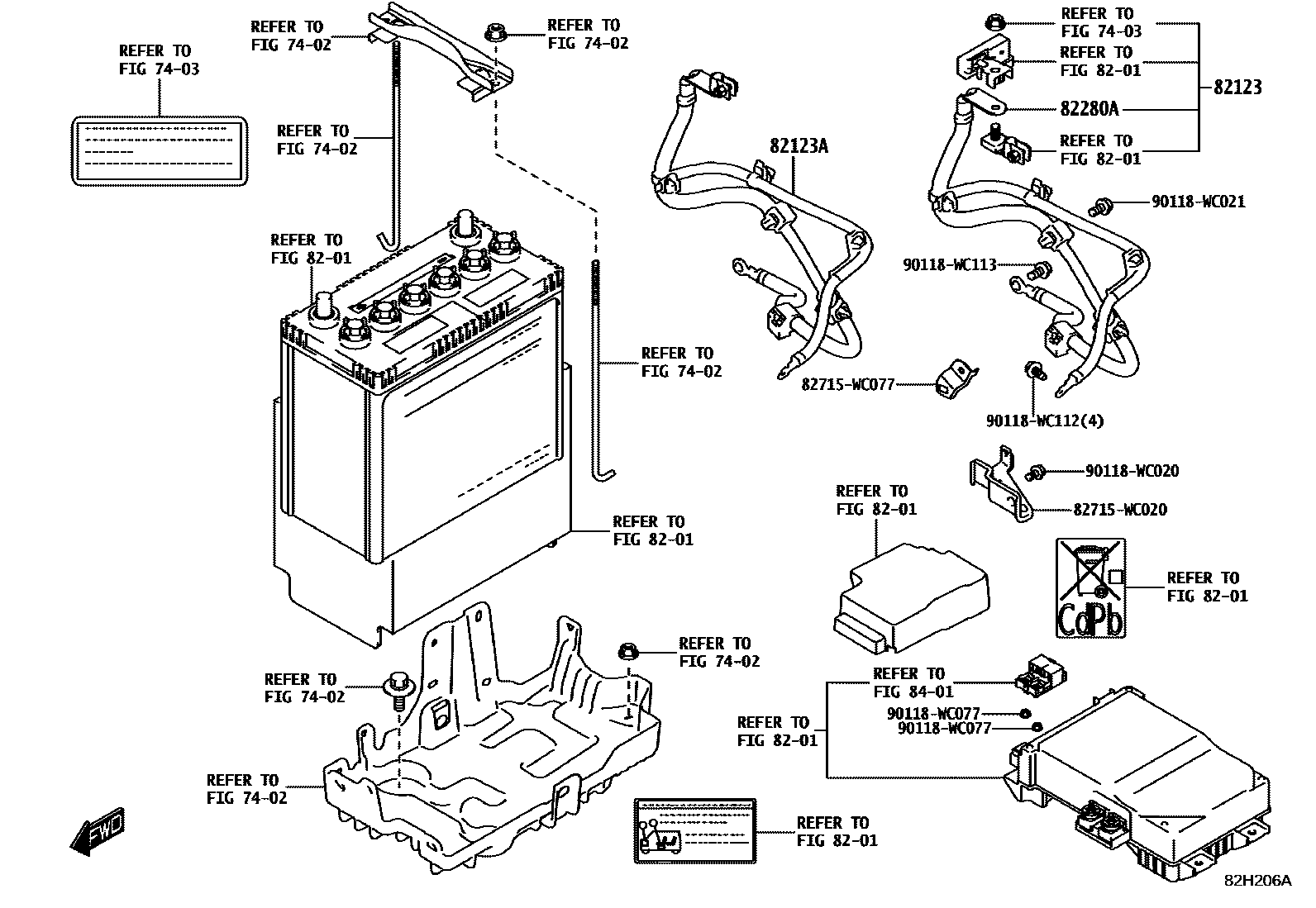
WIRING & CLAMP

7402
7403
8201
82123WIRE, ENGINE, NO.3
POS.8
POS.5
82123AWIRE, ENGINE, NO.3
POS.7
82280AWIRE ASSY, BATTERY TO COWL TOP SIDE
POS.8
POS.5
8401
82715WC020BRACKET,WIRING HARNESS CLAMP
main82715-WC020
82715WC077BRACKET,WIRING HARNESS CLAMP
main82715-WC077
90118WC020
main90118-WC020
90118WC021
main90118-WC021
90118WC077
main90118-WC077
90118WC112
main90118-WC112
90118WC113
main90118-WC113
14 parts on this diagram · 2 diagrams in section