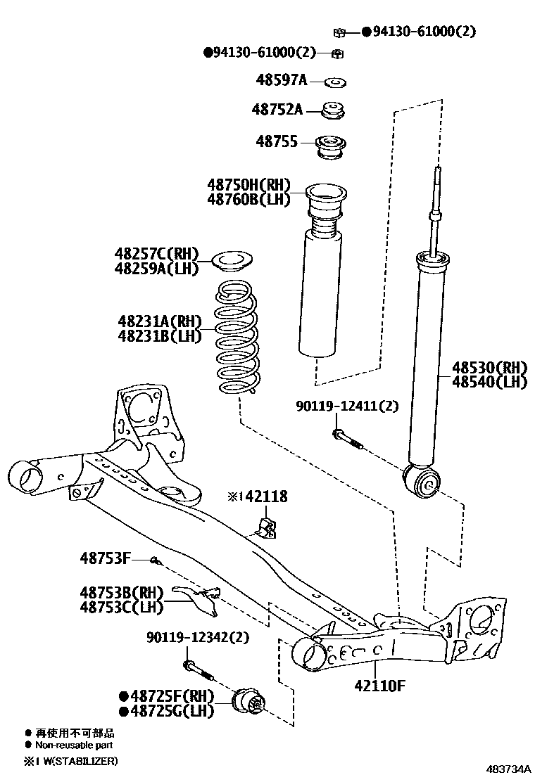
REAR SPRING & SHOCK ABSORBER

48231ASPRING, COIL, REAR RH
48231BSPRING, COIL, REAR LH
48257CINSULATOR, REAR COIL SPRING, UPPER RH
48259AINSULATOR, REAR COIL SPRING, UPPER LH
main48257-0D080iNGK12,15..5F;NGK11..4FC,5F;NGK12..6F..XS..AGT;NGK15..(4FC,6F)..AGT;NGK12..(4FC,6F)..(CROSS,X,XLS)201209-202103
48530ABSORBER ASSY, SHOCK, REAR RH
MARK 48530-0D400
MARK 48530-0D410
MARK 48530-0D420
MARK 48530-0DF30
48540ABSORBER ASSY, SHOCK, REAR LH
MARK 48530-0D400
MARK 48530-0D410
MARK 48530-0D420
MARK 48530-0DF30
48597ARETAINER, REAR SHOCK ABSORBER CUSHION
48725FBUSH, REAR AXLE CARRIER, RH
48725GBUSH, REAR AXLE CARRIER, LH
48750HSUPPORT ASSY, REAR SUSPENSION, RH
48752ASTOPPER, REAR SUSPENSION SUPPORT
48753BCOVER, REAR SUSPENSION SUPOPORT, NO.1 RH
48753CCOVER, REAR SUSPENSION SUPOPORT, NO.1 LH
48753FCLIP(FOR REAR SUSPENSION SUPPORT COVER)
48755SUPPORT, REAR SUSPENSION
48760BSUPPORT ASSY REAR SUSPENSION, LH
9011912342
main90119-12342
9011912411
main90119-12411
9413061000
main94130-61000
21 parts on this diagram · 1 diagram in section