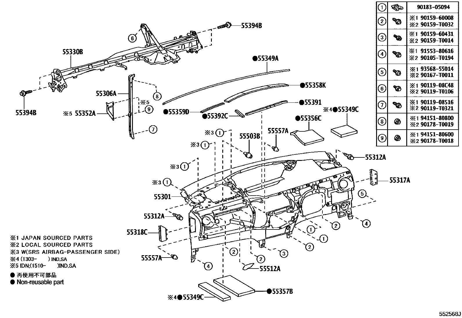
INSTRUMENT PANEL & GLOVE COMPARTMENT

55301PANEL SUB-ASSY, INSTRUMENT
BLACK,TRIM1#
BLACK,TRIM1#,4#
BLACK,TRIM0#
BLACK,TRIM2#
ASH BROWN,TRIM4#
ASH BROWN,TRIM40
BLACK,TRIM1#
55306ABRACE SUB-ASSY, INSTRUMENT PANEL, NO.1
55312ACLIP, INSTRUMENT PANEL
55317APANEL, INSTRUMENT SIDE, RH
BLACK,TRIM2#
BLACK,TRIM1#,4#
BLACK,TRIM1#
BLACK,TRIM0#
ASH BROWN,TRIM40
ASH BROWN,TRIM4#
BLACK,TRIM1#
55318CPANEL, INSTRUMENT SIDE, LH
BLACK,TRIM1#,4#
BLACK,TRIM1#
BLACK,TRIM0#
BLACK,TRIM2#
ASH BROWN,TRIM40
ASH BROWN,TRIM4#
BLACK,TRIM1#
55330BREINFORCEMENT ASSY, INSTRUMENT PANEL
55349ACUSHION, INSTRUMENT PANEL
55349CCUSHION, INSTRUMENT PANEL
200 X 160 X 47
370 X 70 X 47
55352ABRACE, INSTRUMENT PANEL TO FLOOR, NO.2
55358KCUSHION, INSTRUMENT PANEL, NO.4
55359DCUSHION, INSTRUMENT PANEL, NO.5
55391CUSHION, INSTRUMENT PANEL, LOWER NO.1
55392CCUSHION, INSTRUMENT PANEL, LOWER NO.2
55394BBOLT, INSTRUMENT PANEL
55503BCUSHION(FOR GLOVE COMPARTMENT)
55512APLATE, GLOVE COMPARTMENT
55557ACUSHION, GLOVE COMPARTMENT DOOR CHECK
90105T0194
9011908516
9011908C48
90119T0106
90119T0321
main90119-T0321
9015960008
9015960431
90159T0014
main90159-T0014
90159T0032
main90159-T0032
90167T0011
90178T0018
90178T0019
main90178-T0019
9018305094
9155380616
9356855014
9415180600
9415180800
36 parts on this diagram · 4 diagrams in section