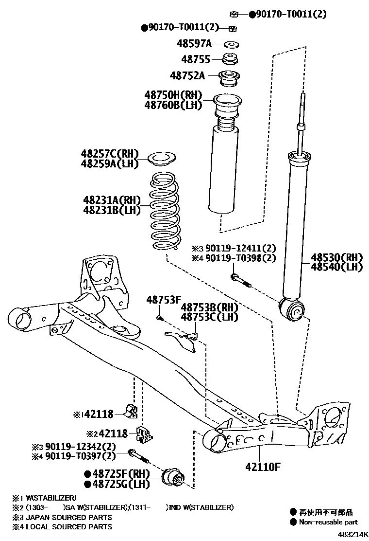
REAR SPRING & SHOCK ABSORBER

42110FBEAM ASSY, REAR AXLE
42118DAMPER, REAR AXLE BEAM
48231ASPRING, COIL, REAR RH
48231BSPRING, COIL, REAR LH
48257CINSULATOR, REAR COIL SPRING, UPPER RH
48259AINSULATOR, REAR COIL SPRING, UPPER LH
48530ABSORBER ASSY, SHOCK, REAR RH
MARK 48530-0D330
MARK 48530-0D340
MARK 48530-0D350
MARK 48530-0D360
MARK 48530-0D370
MARK 48530-0D730
MARK 48530-0D740
MARK 48530-0D871
MARK 48530-0DA80
48540ABSORBER ASSY, SHOCK, REAR LH
MARK 48530-0D330
MARK 48530-0D340
MARK 48530-0D350
MARK 48530-0D360
MARK 48530-0D370
MARK 48530-0D730
MARK 48530-0D740
MARK 48530-0D871
MARK 48530-0DA80
48597ARETAINER, REAR SHOCK ABSORBER CUSHION
48725FBUSH, REAR AXLE CARRIER, RH
48725GBUSH, REAR AXLE CARRIER, LH
48750HSUPPORT ASSY, REAR SUSPENSION, RH
48752ASTOPPER, REAR SUSPENSION SUPPORT
48753BCOVER, REAR SUSPENSION SUPOPORT, NO.1 RH
48753CCOVER, REAR SUSPENSION SUPOPORT, NO.1 LH
48753FCLIP(FOR REAR SUSPENSION SUPPORT COVER)
BLACK
BLACK
48755SUPPORT, REAR SUSPENSION
48760BSUPPORT ASSY REAR SUSPENSION, LH
9011912342
main90119-12342
9011912411
main90119-12411
90119T0397
main90119-T0397
90119T0398
main90119-T0398
90170T0011
main90170-T0011
23 parts on this diagram · 1 diagram in section