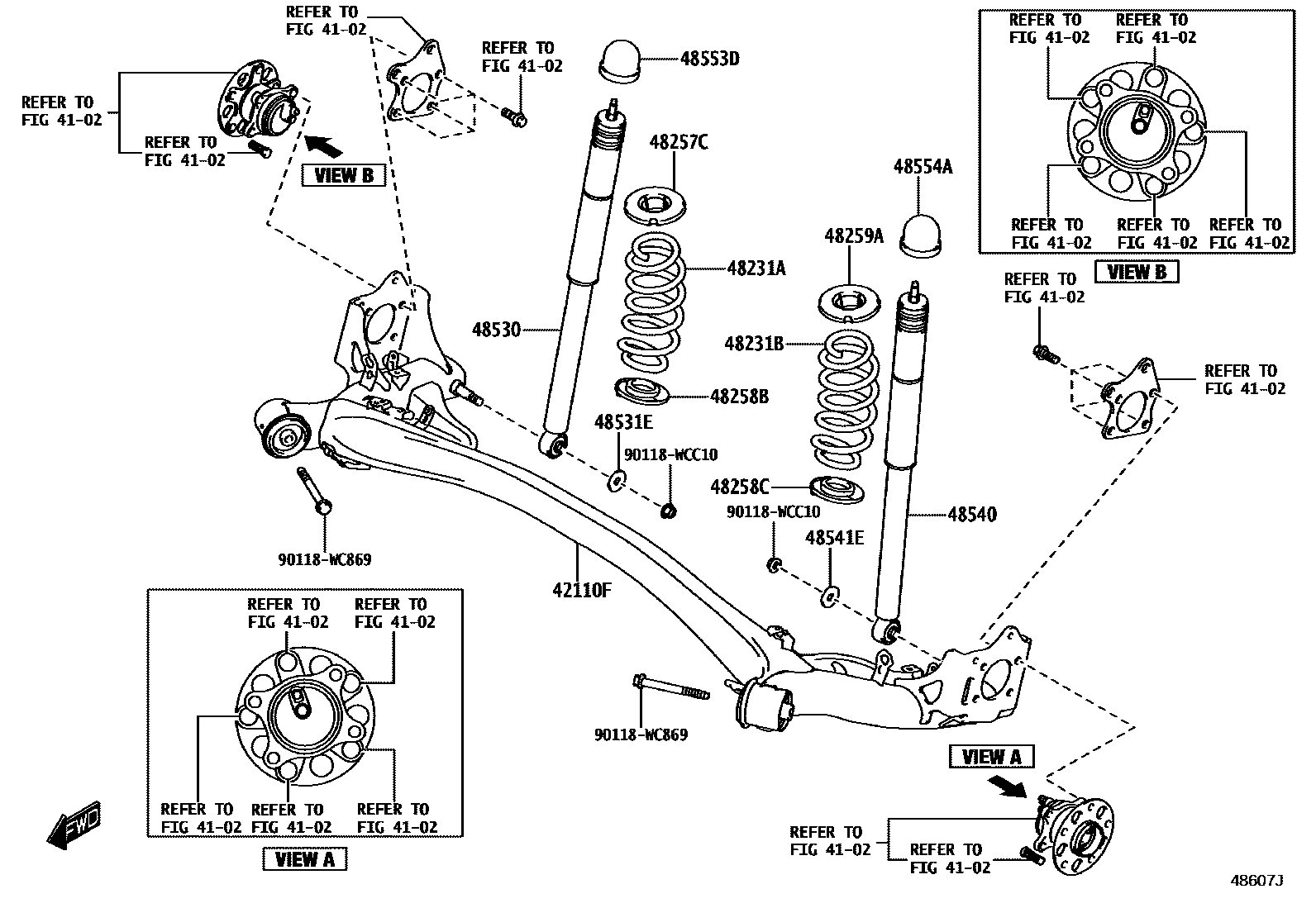
REAR SPRING & SHOCK ABSORBER

4102
42110FBEAM ASSY, REAR AXLE
POS.71
POS.72
POS.73
POS.74
POS.75
POS.79
POS.80
POS.81
POS.82
POS.83
POS.76
POS.77
POS.78
48231ASPRING, COIL, REAR RH
POS.71
POS.72
POS.73
POS.74
POS.79
POS.80
POS.81
POS.82
POS.75
POS.83
POS.76
POS.77
POS.78
48231BSPRING, COIL, REAR LH
POS.71
POS.72
POS.73
POS.74
POS.79
POS.80
POS.81
POS.82
POS.75
POS.83
POS.76
POS.77
POS.78
48257CINSULATOR, REAR COIL SPRING, UPPER RH
POS.71
POS.72
POS.73
POS.74
POS.75
POS.79
POS.80
POS.81
POS.82
POS.83
POS.76
POS.77
POS.78
48258BINSULATOR, REAR COIL SPRING, LOWER RH
POS.71
POS.72
POS.73
POS.74
POS.75
POS.79
POS.80
POS.81
POS.82
POS.83
POS.76
POS.77
POS.78
48258CINSULATOR, REAR COIL SPRING, LOWER LH
POS.71
POS.72
POS.73
POS.74
POS.75
POS.79
POS.80
POS.81
POS.82
POS.83
POS.76
POS.77
POS.78
48259AINSULATOR, REAR COIL SPRING, UPPER LH
POS.71
POS.72
POS.73
POS.74
POS.75
POS.79
POS.80
POS.81
POS.82
POS.83
POS.76
POS.77
POS.78
48530ABSORBER ASSY, SHOCK, REAR RH
POS.71
POS.72
POS.73
POS.74
POS.79
POS.80
POS.81
POS.82
POS.75
POS.83
POS.76
POS.77
POS.78
48531ERETAINER, CUSHION, NO.1(FOR REAR SHOCK ABSORBER RH)
POS.71
POS.72
POS.73
POS.74
POS.75
POS.79
POS.80
POS.81
POS.82
POS.83
POS.76
POS.77
POS.78
48540ABSORBER ASSY, SHOCK, REAR LH
POS.71
POS.72
POS.73
POS.74
POS.79
POS.80
POS.81
POS.82
POS.75
POS.83
POS.76
POS.77
POS.78
48541ERETAINER, CUSHION, NO.1(FOR REAR SHOCK ABSORBER LH)
POS.71
POS.72
POS.73
POS.74
POS.75
POS.79
POS.80
POS.81
POS.82
POS.83
POS.76
POS.77
POS.78
48553DCAP, REAR SHOCK ABSORBER, RH
POS.71
POS.72
POS.73
POS.74
POS.75
POS.79
POS.80
POS.81
POS.82
POS.83
POS.76
POS.77
POS.78
48554ACAP, REAR SHOCK ABSORBER, LH
POS.71
POS.72
POS.73
POS.74
POS.75
POS.79
POS.80
POS.81
POS.82
POS.83
POS.76
POS.77
POS.78
90118WC869
main90118-WC869
90118WCC10
main90118-WCC10
16 parts on this diagram · 2 diagrams in section