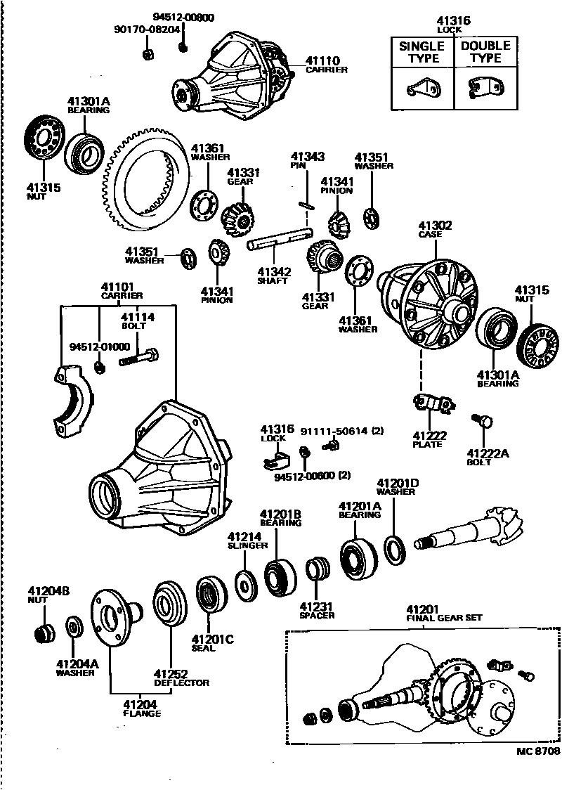
REAR AXLE HOUSING & DIFFERENTIAL

41101CARRIER SUB-ASSY, DIFFERENTIAL, REAR
41110CARRIER ASSY, DIFFERENTIAL, REAR
R=41:10=4.100
R=41:11=3.727
41114BOLT, REAR DIFFERENTIAL BEARING CAP
41201FINAL GEAR KIT, DIFFERENTIAL, REAR
41201ABEARING (FOR REAR DRIVE PINION REAR)
sub90368-30002
41201BBEARING (FOR REAR DRIVE PINION FRONT)
41201CSEAL, OIL (FOR REAR DIFFERENTIAL CARRIER)
41201DWASHER, PLATE (FOR REAR DIFFERENTIAL DRIVE PINION)
T=2.33
T=2.36
T=2.39
T=2.41-2.43,T=2.42
T=2.44-2.46,T=2.45
T=2.47-2.49,T=2.48
T=2.50-2.52,T=2.51
T=2.53-2.55,T=2.54
T=2.56-2.58,T=2.57
T=2.23-2.25,T=2.24
T=2.26-2.28,T=2.27
T=2.29-2.31,T=2.30
T=2.59-2.61,T=2.60
T=2.62-2.64,T=2.63
T=2.65-2.67,T=2.66
41204FLANGE SUB-ASSY, REAR DRIVE PINION COMPANION, REAR
41204AWASHER, PLATE (FOR REAR DRIVE PINION)
41204BNUT (FOR REAR DRIVE PINION)
41214SLINGER, REAR DIFFERENTIAL DRIVE PINION OIL
41222PLATE, REAR DIFFERENTIAL RING GEAR SET BOLT LOCK
41222ABOLT (FOR REAR DIFFERENTIAL RING GEAR SET)
41231SPACER, REAR DIFFERENTIAL DRIVE PINION BEARING
41252DEFLECTOR, DUST (FOR REAR DIFFERENTIAL)
41301ABEARING(FOR REAR DIFFERENTIAL CASE)
NSK
KOYO
41302CASE SUB-ASSY, REAR DIFFERENTIAL
41315NUT, REAR DIFFERENTIAL BEARING ADJUSTING
41316LOCK, REAR DIFFERENTIAL BEARING ADJUSTING NUT
SINGLE TYPE
DOUBLE TYPE
41331GEAR, REAR DIFFERENTIAL SIDE
41341PINION, REAR DIFFERENTIAL
41342SHAFT, REAR DIFFERENTIAL PINION
41343PIN, REAR DIFFERENTIAL PINION SHAFT
41351WASHER, REAR DIFFERENTIAL PINION THRUST
41361WASHER, REAR DIFFERENTIAL SIDE GEAR THRUST, NO.1
T=1.50,T=1.50
T=1.55,T=1.55
T=1.60,T=1.60
T=1.65,T=1.65
T=1.70,T=1.70
T=1.75,T=1.75
9017008204
main90170-08204
9111150614
main91111-50614
9451200600
main94512-00600
9451200800
main94512-00800
9451201000
main94512-01000
31 parts on this diagram · 2 diagrams in section