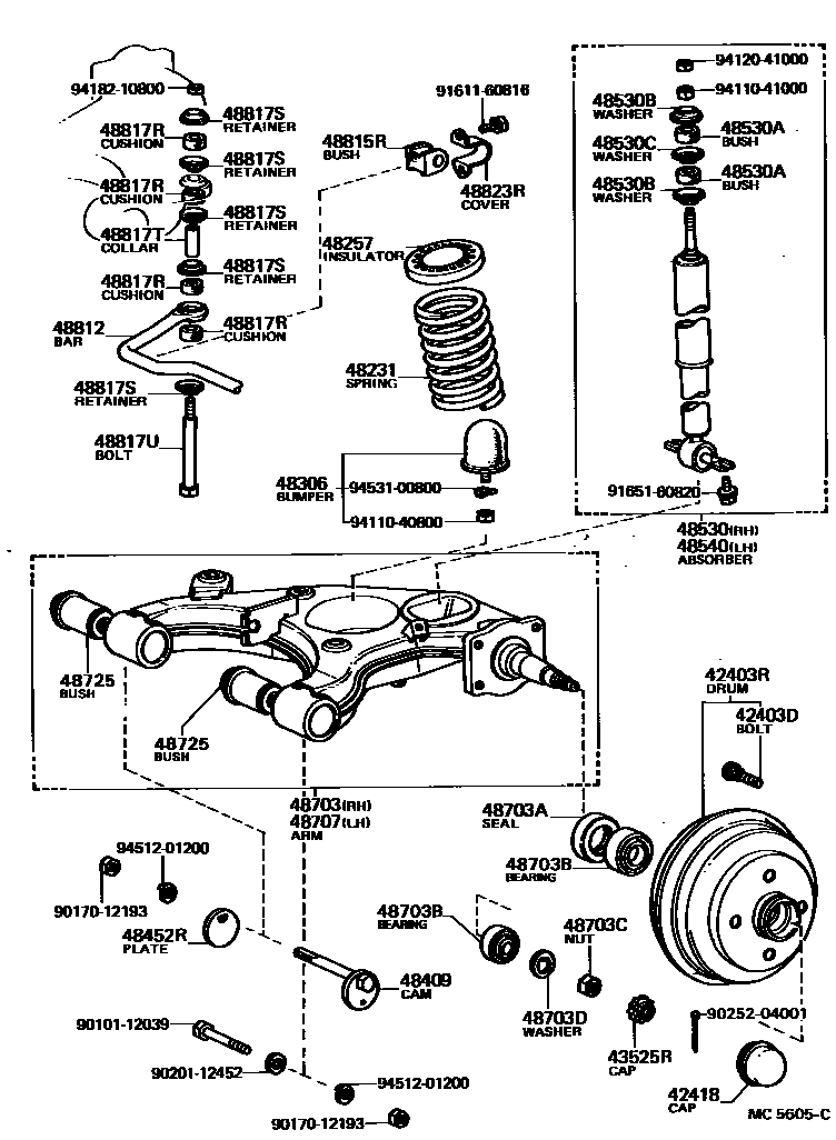
REAR SPRING & SHOCK ABSORBER

42403RDRUM SUB-ASSY, BRAKE
42418CAP, REAR HUB GREASE
43525RCAP, REAR WHEEL ADJUSTING LOCK
48231SPRING, COIL, REAR
48257INSULATOR, REAR COIL SPRING
48306BUMPER SUB-ASSY, REAR SPRING
48409CAM SUB-ASSY, REAR SUSPENSION TOE ADJUST
48452RPLATE, REAR SUSPENSION TOE ADJUST, NO.2
48530ABUSH(FOR REAR SHOCK ABSORBER)
48530BWASHER, REAR SHOCK ABSORBER CUSHION, NO.1
48530CWASHER, REAR SHOCK ABSORBER CUSHION, NO.2
48703ARM SUB-ASSY, REAR SUSPENSION, RH
sub48703-16903
48703ASEAL(FOR REAR SUSPENSION ARM)
48703BBEARING(FOR REAR SUSPENSION ARM)
INNER
OUTER
48703CNUT(FOR REAR SUSPENSION ARM)
sub94125-41600
48703DWASHER(FOR REAR SUSPENSION ARM)
48707ARM SUB-ASSY, REAR SUSPENSION, LH
sub48707-16903
48725BUSH, LOWER CONTROL ARM
INNER
OUTER
48812BAR, STABILIZER, REAR
48815RBUSH, STABILIZER(FOR REAR)
48817RCUSHION, STABILIZER(FOR REAR)
48817SRETAINER, CUSHION, NO.1(FOR STABILIZER REAR BAR)
H=3.5,ID=8.5
H=5,ID=13
48817TCOLLAR(FOR STABILIZER REAR BAR)
48817UBOLT(FOR REAR STABILIZER)
48823RCOVER, STABILIZER LINK(FOR REAR)
9010112039
main90101-12039
9017012193
main90170-12193
9020112452
main90201-12452
9025204001
main90252-04001
9161160816
main91611-60816
9165160820
main91651-60820
9411040800
main94110-40800
9411041000
main94110-41000
9412041000
main94120-41000
9418210800
main94182-10800
9451201200
main94512-01200
9453100800
main94531-00800
40 parts on this diagram · 1 diagram in section