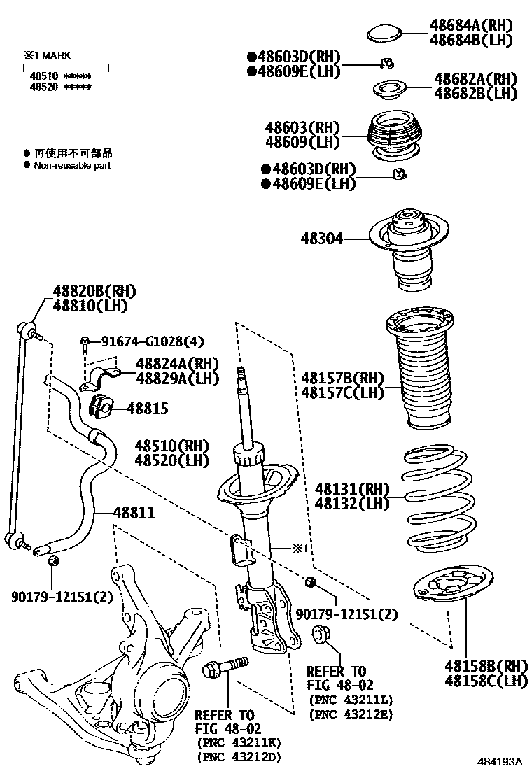
FRONT SPRING & SHOCK ABSORBER

4802
48131SPRING, FRONT COIL, RH
48132SPRING, FRONT COIL, LH
48157BINSULATOR, FRONT COIL SPRING, UPPER RH
48157CINSULATOR, FRONT COIL SPRING, UPPER LH
48158BINSULATOR, FRONT COIL SPRING, LOWER RH
48158CINSULATOR, FRONT COIL SPRING, LOWER LH
48304BUMPER SUB-ASSY, FRONT SPRING, NO.1
48510ABSORBER ASSY, SHOCK, FRONT RH
MARK 48510-52N80
48520ABSORBER ASSY, SHOCK, FRONT LH
MARK 48520-52B80
48603SUPPORT SUB-ASSY, FRONT SUSPENSION, RH
48603DNUT(FOR FRONT SUPPORT TO FRONT SHOCK ABSORBER RH)
48609SUPPORT SUB-ASSY, FRONT SUSPENSION, LH
48609ENUT(FOR FRONT SUPPORT TO FRONT SHOCK ABSORBER LH)
48682ASUPPORT, FRONT SUSPENSION, NO.2 RH
48682BSUPPORT, FRONT SUSPENSION, NO.2 LH
48684ACOVER, FRONT SUSPENSION SUPPORT DUST, RH
48684BCOVER, FRONT SUSPENSION SUPPORT DUST, LH
48810LINK ASSY, FRONT STABILIZER, LH
48811BAR, STABILIZER, FRONT
48815BUSH, FRONT STABILIZER BAR, NO.1
48820BLINK ASSY, FRONT STABILIZER, RH
48824ABRACKET, FRONT STABILIZER, NO.1 RH
48829ABRACKET, FRONT STABILIZER, NO.1 LH
9017912151
91674G1028
26 parts on this diagram · 1 diagram in section