HEATING & AIR CONDITIONING - CONTROL & AIR DUCT

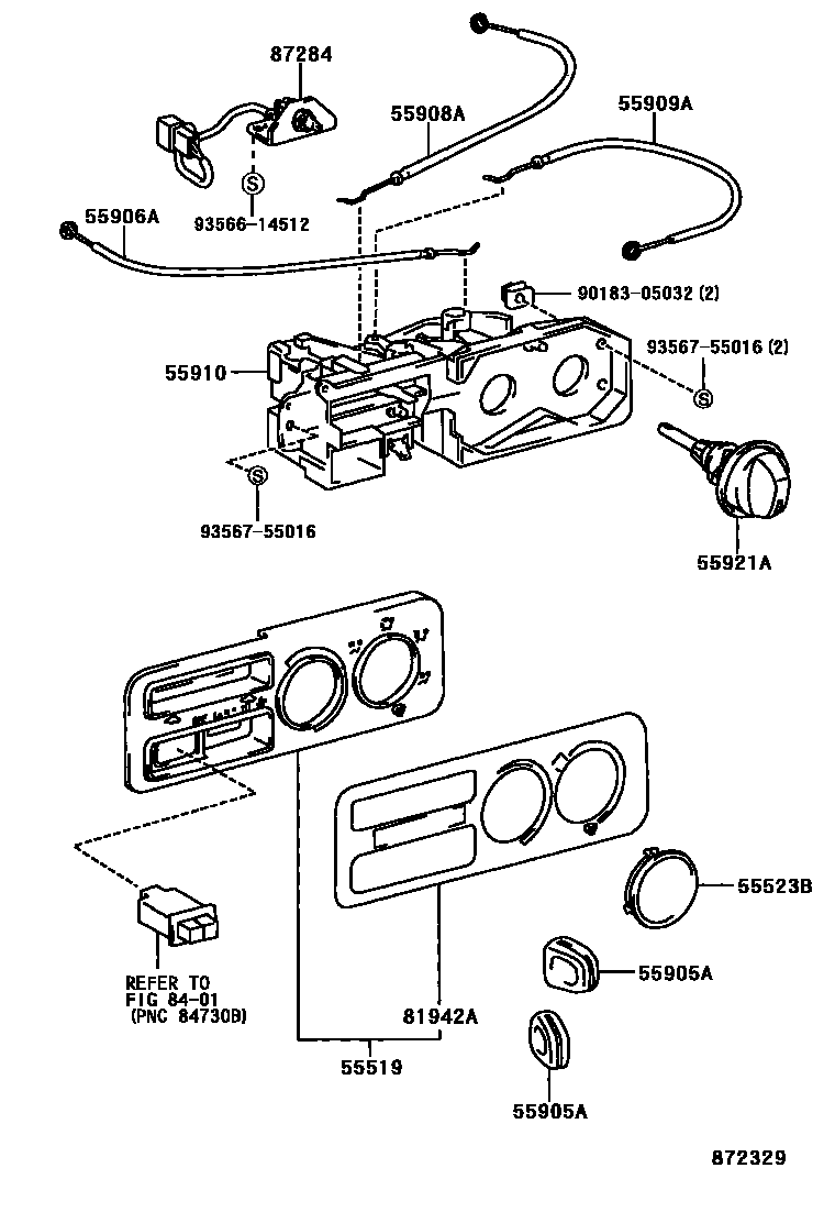
55519PLATE, HEATER CONTROL NAME
COOLER BOOST VENTILATOR
sub55519-16270
COOLER BOOST VENTILATOR
COOLER BOOST VENTILATOR
55523BCOVER, HEATER CONTROL OPENING
55905AKNOB, HEATER CONTROL
55906ACABLE SUB-ASSY, DEFROSTER DAMPER CONTROL
55908ACABLE SUB-ASSY, AIR INLET DAMPER CONTROL
55909ACABLE SUB-ASSY, AIRMIX DAMPER CONTROL
55910CONTROL ASSY, HEATER OR BOOST VENTILATOR
COOLER BOOST VENTILATOR
AIR CONDITIONER(MANUAL)
COOLER BOOST VENTILATOR
BOOST VENTILATOR
COOLER BOOST VENTILATOR
AIR CONDITIONER(MANUAL)
sub55910-10430
55921ARETAINER, HEATER CONTROL
COOLER BOOST VENTILATOR
COOLER BOOST VENTILATOR
COOLER BOOST VENTILATOR
COOLER BOOST VENTILATOR
81942ASHEET, HEATER CONTROL NAME, NO.1
COOLER BOOST VENTILATOR
COOLER BOOST VENTILATOR
COOLER BOOST VENTILATOR
8401
87284RESISTOR SUB-ASSY, VARIABLE
9018305032
main90183-05032
9356614512
main93566-14512
9356755016
main93567-55016
14 parts on this diagram · 2 diagrams in section