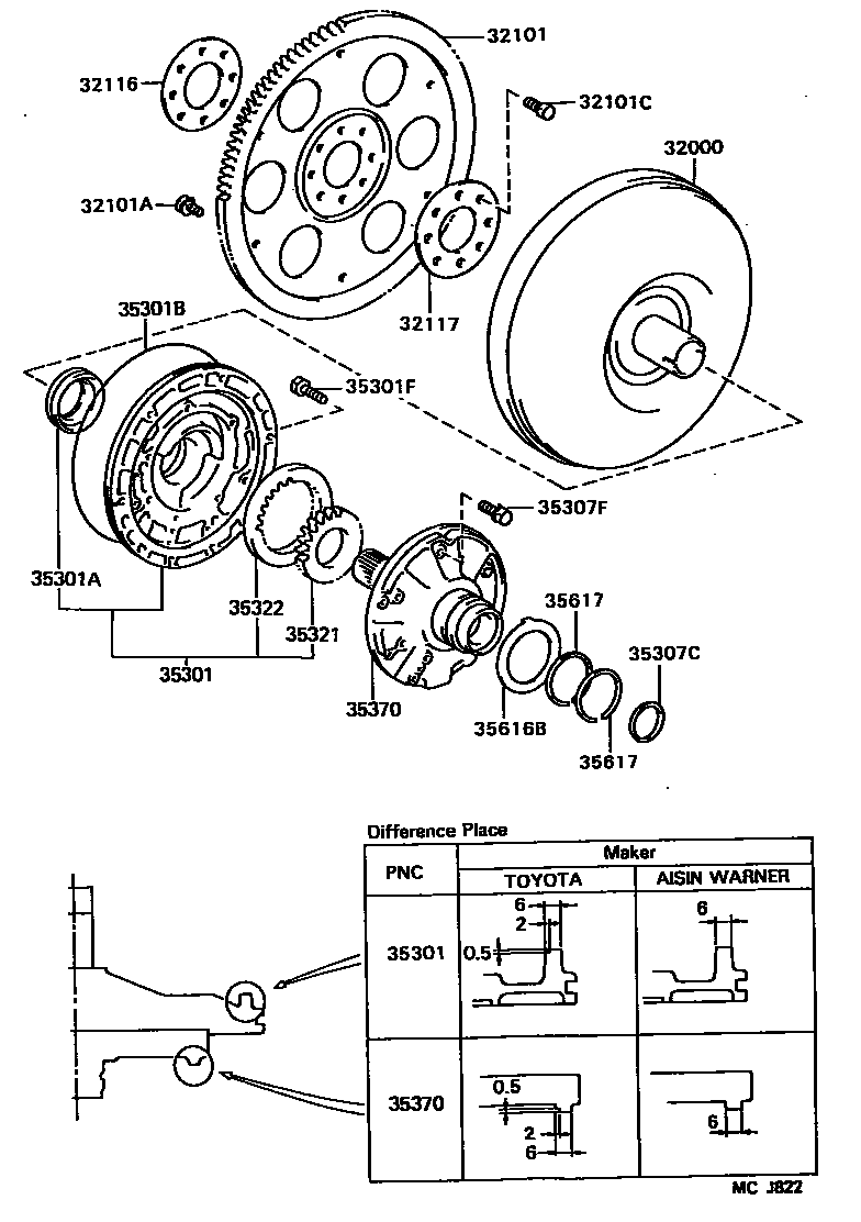
TORQUE CONVERTER, FRONT OIL PUMP & CHAIN (ATM)

32101GEAR SUB-ASSY, DRIVE PLATE & RING
32101ABOLT(FOR DRIVE PLATE & TORQUE CONVERTER SETTING)
*8-1.25PX12-8.4,OLIVE GREEN
*8-1.25PX12-8,BLACK
32101CBOLT, HEXAGON(FOR DRIVE PLATE SETTING)
32116SPACER, DRIVE PLATE, FRONT
32117SPACER, DRIVE PLATE, REAR
35301BODY SUB-ASSY, FRONT OIL PUMP
35301ASEAL, OIL (FOR FRONT OIL PUMP)
35301BRING, O (FOR FRONT OIL PUMP BODY)
35301FBOLT (FOR FRONT OIL PUMP SETTING)
*8-1.25PX28-28
*8-1.25PX28-28
35307CRACE, THRUST BEARING (FOR STATOR SHAFT)
T=0.8
T=1.4
35307FBOLT (FOR STATOR SHAFT)
35321GEAR, FRONT OIL PUMP DRIVE
T=9.440-9.449
T=9.450-9.459
T=9.460-9.470
T=9.471-9.480
T=9.481-9.490
T=9.440-9.456
T=9.456-9.474
T=9.474-9.490
35322GEAR, FRONT OIL PUMP DRIVEN
T=9.440-9.449
T=9.450-9.459
T=9.460-9.470
T=9.471-9.480
T=9.481-9.490
T=9.440-9.456
T=9.456-9.474
T=9.474-9.490
35370SHAFT ASSY, STATOR
35616BWASHER, CLUTCH DRUM THRUST (FOR STATOR SHAFT)
35617RING, CLUTCH DRUM OIL SEAL
17 parts on this diagram · 1 diagram in section