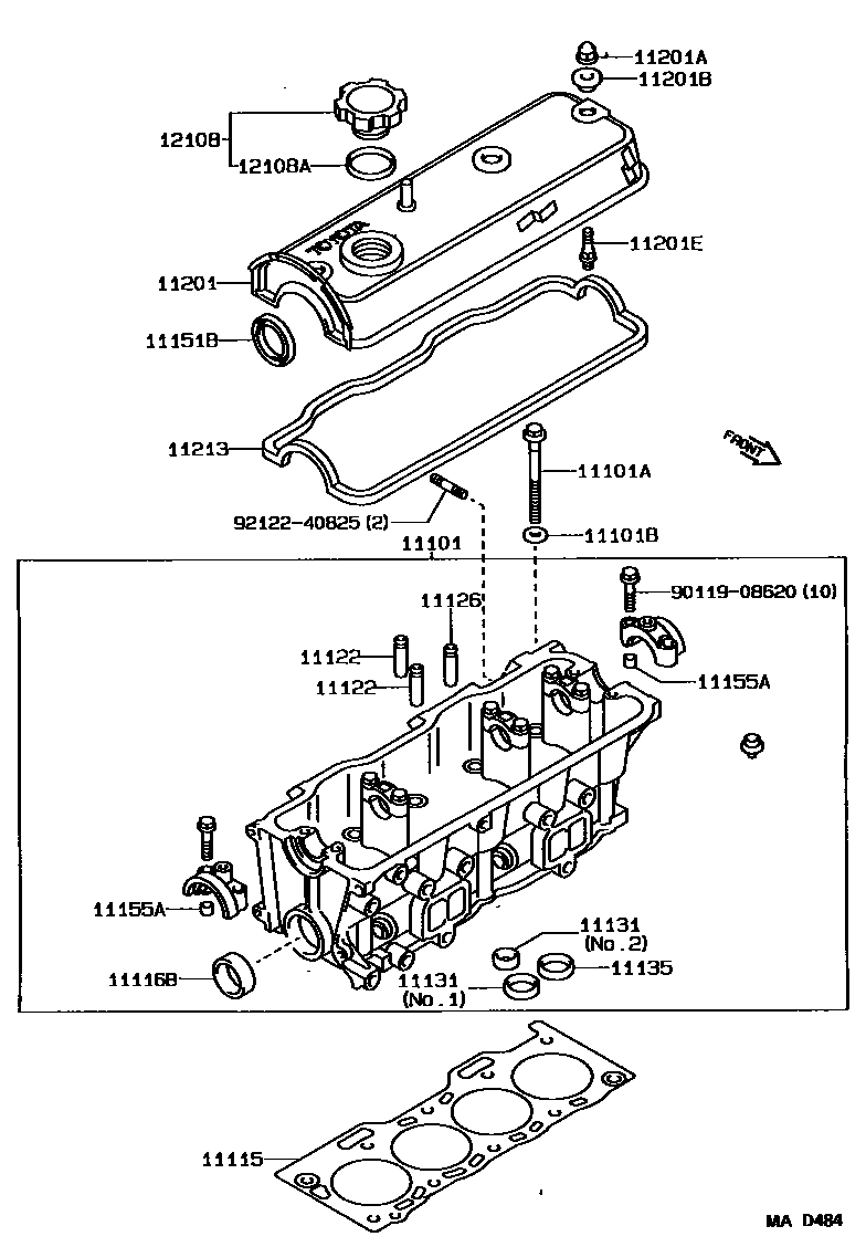
CYLINDER HEAD

11101ABOLT(FOR CYLINDER HEAD SET)
*9-1.25PX84.5-50
*9-1.25PX98.5-50
11101BWASHER, PLATE(FOR CYLINDER HEAD SET)
11116BPLUG, TIGHT, NO.2
11122BUSH, INTAKE VALVE GUIDE
STD
STD
O/S 0.05
O/S 0.05
11126BUSH, EXHAUST VALVE GUIDE
STD
O/S 0.05
11131SEAT, INTAKE VALVE
STD,NO.1
STD
O/S 0.03,NO.1
O/S 0.03,NO.1
O/S 0.03
STD,NO.2
O/S 0.03,NO.2
11135SEAT, EXHAUST VALVE
STD
STD
O/S 0.03
O/S 0.03
11201COVER SUB-ASSY, CYLINDER HEAD
11201ANUT, CAP(FOR CYLINDER HEAD COVER)
11201EBOLT, STUD(FOR CYLINDER HEAD COVER SET)
12108AGASKET(FOR OIL FILLER CAP)
9011908620
main90119-08620
9212240825
main92122-40825
20 parts on this diagram · 2 diagrams in section