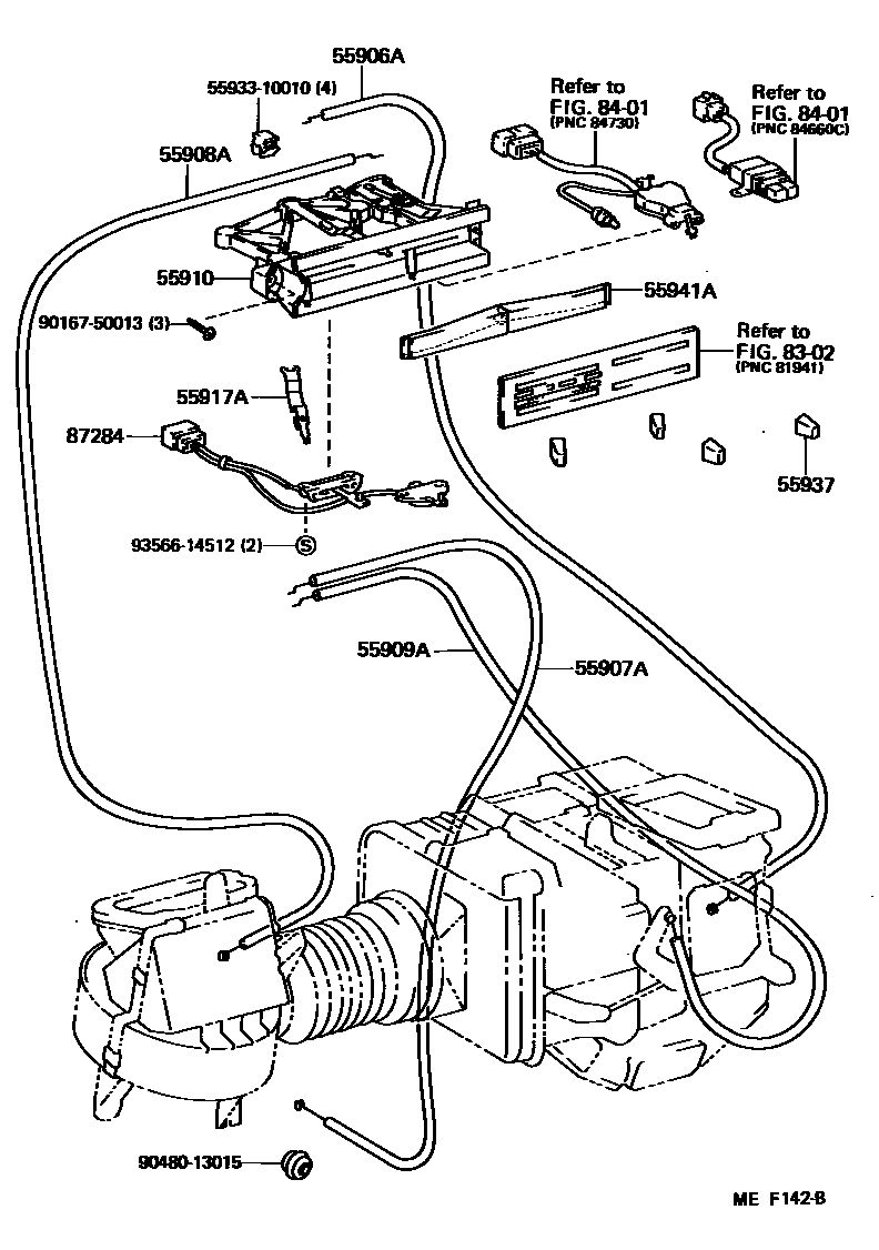
HEATING & AIR CONDITIONING - CONTROL & AIR DUCT

55906ACABLE SUB-ASSY, DEFROSTER DAMPER CONTROL
55907ACABLE SUB-ASSY, WATER VALVE CONTROL
55908ACABLE SUB-ASSY, AIR INLET DAMPER CONTROL
55909ACABLE SUB-ASSY, AIRMIX DAMPER CONTROL
55910CONTROL ASSY, HEATER OR BOOST VENTILATOR
W/HEATER
W/HEATER
W/BOOST VENTILATOR & COOLER
W/BOOST VENTILATOR
W/BOOST VENTILATOR
W/BOOST VENTILATOR & COOLER
55917ALEVER, TEMPERATURE DAMPER CONTROL
W/*BV & COOLER
DEALER OPTION
55937KNOB, HEATER CONTROL LEVER
55941AGUIDE, HEATER CONTROL
8302
8401
87284RESISTOR SUB-ASSY, VARIABLE
W/BOOST VENTILATOR
W/BOOST VENTILATOR
5593310010GUIDE, LEVER, NO.2
main55933-10010
9016750013
main90167-50013
9048013015
main90480-13015
9356614512
main93566-14512
15 parts on this diagram · 2 diagrams in section