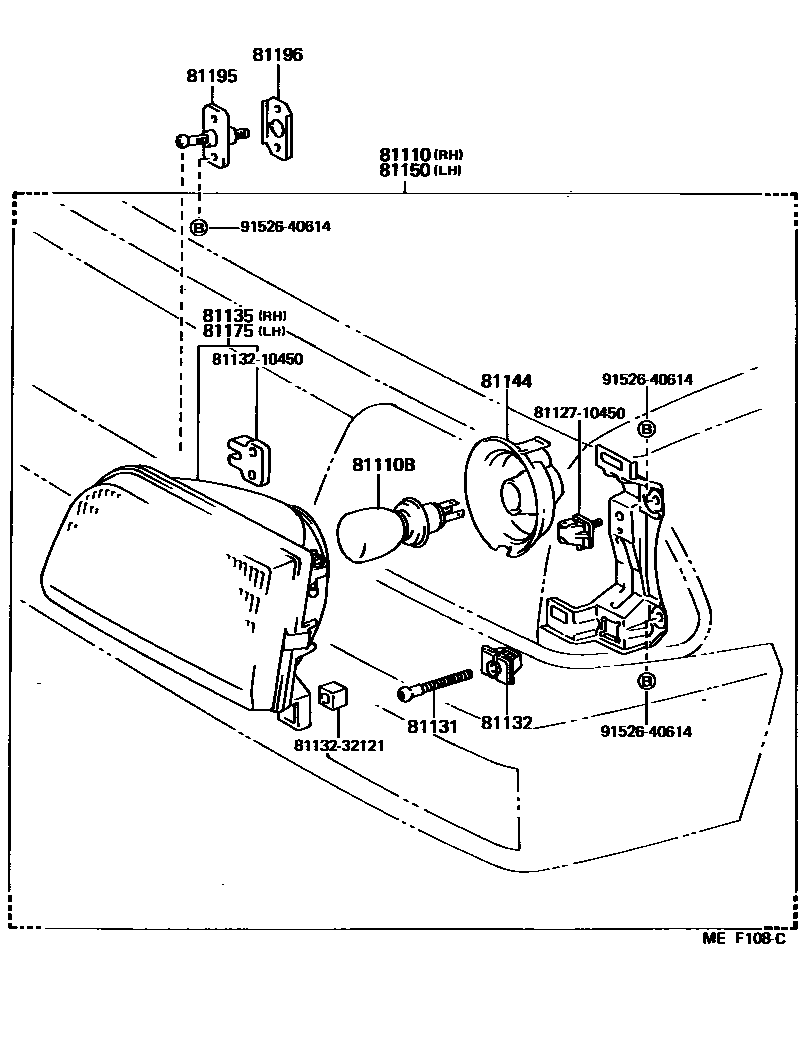
HEADLAMP

81110HEADLAMP ASSY, RH
WHITE,INDONESIA SPEC
WHITE,LH DRIVE SPEC(*46)
WHITE
*HAL WHITE
*HAL WHITE,LH DRIVE SPEC(*46)
WHITE
*HAL WHITE
*HAL,YELLOW
81110BBULB(FOR HEADLAMP, NO.1)
12V 45/40W,WHITE,12V 45/40W,WHITE
12V 65/60W,WHITE,12V 65/60W,*WH,INDONESIA SPEC
81131SCREW, HEADLAMP ADJUSTING
81132NUT, HEADLAMP SELF LOCKING
sub81137-10471
81135UNIT ASSY, HEADLAMP, RH
INDONESIA SPEC
WHITE,LH DRIVE SPEC(*46)
WHITE
*HAL WHITE
*HAL WHITE,LH DRIVE SPEC(*46)
WHITE OR YELLOW
*HAL(WHITE OR YELLOW)
81144COVER, HEADLAMP, NO.1
81150HEADLAMP ASSY, LH
WHITE,LH DRIVE SPEC(*46)
WHITE
*HAL WHITE
*HAL WHITE,LH DRIVE SPEC(*46)
WHITE
*HAL WHITE
*HAL YELLOW
81175UNIT ASSY, HEADLAMP, LH
INDONESIA SPEC,WHITE
WHITE,LH DRIVE SPEC(*46)
WHITE
*HAL WHITE
*HAL WHITE,LH DRIVE SPEC(*46)
WHITE OR YELLOW
*HAL(WHITE OR YELLOW)
81195SCREW, HEADLAMP
81196RETAINER, HEADLAMP
8112710450BEARING, HEADLAMP, NO.1
main81127-10450
8113210450NUT, HEADLAMP SELF LOCKING
main81132-10450
8113232121NUT, HEADLAMP SELF LOCKING
main81132-32121
9152640614
main91526-40614
14 parts on this diagram · 2 diagrams in section