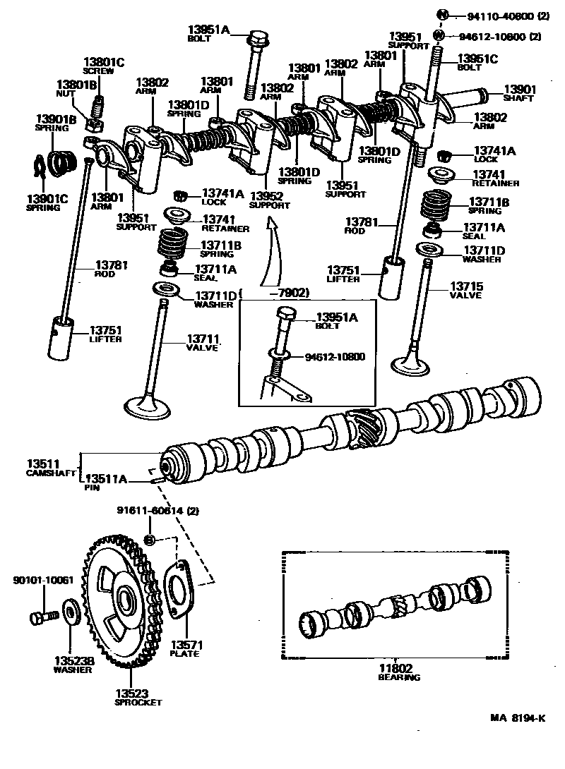
CAMSHAFT & VALVE

11802BEARING SET, CAMSHAFT
STD
U/S 0.125
U/S 0.250
13511CAMSHAFT
sub13501-13011
13511APIN, STRAIGHT(FOR CAMSHAFT KNOCK)
L=15,OD=5
13523GEAR OR SPROCKET, CAMSHAFT TIMING
N=36
N=36
13523BWASHER, PLATE(FOR TIMING GEAR)
13571PLATE, CAMSHAFT THRUST
13711VALVE, INTAKE
13711BSPRING, COMPRESSION(FOR INNER)
WD=4.2,CW=6.5
13711DWASHER, PLATE(FOR VALVE SPRING SEAT)
13715VALVE, EXHAUST
13741RETAINER, VALVE SPRING
13741ALOCK, VALVE SPRING RETAINER
13751LIFTER, VALVE
STD
STD
O/S 0.05
O/S 0.05
13801ARM SUB-ASSY, VALVE ROCKER, NO.1
13801BNUT, HEXAGON(FOR VALVE ADJUSTING)
13801CSCREW, VALVE ADJUSTING
13801DSPRING, COMPRESSION(FOR ROCKER ARM)
13802ARM SUB-ASSY, VALVE ROCKER, NO.2
13901SHAFT SUB-ASSY, VALVE ROCKER, NO.1
13901BSPRING, CONICAL(FOR VALVE ROCKER SHAFT)
13901CSPRING, RETAINER(FOR VALVE ROCKER SHAFT)
13951ABOLT(FOR ROCKER SUPPORT SET)
13951CBOLT, STUD(FOR ROCKER SUPPORT)
L=100,S=10&54
L=96,S=10&50
9010110061
main90101-10061
9161160614
main91611-60614
9411040800
main94110-40800
9461210800
main94612-10800
31 parts on this diagram · 1 diagram in section