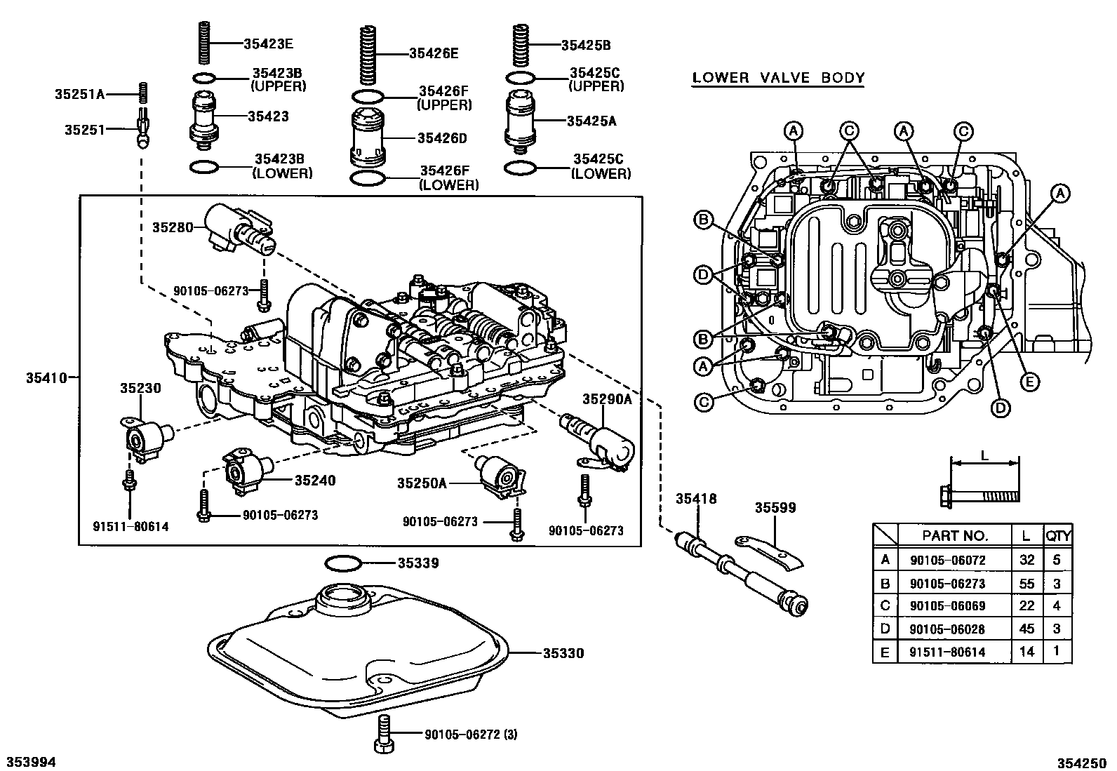
VALVE BODY & OIL STRAINER (ATM)

35250ASOLENOID ASSY, TRANSMISSION, NO.3
35251BODY, CHECK BALL
35251ASPRING, COMPRESSION (FOR CHECK BALL BODY)
35280SOLENOID ASSY, LOCK UP CONTROL
35290ASOLENOID ASSY, LINE PRESSURE CONTROL
35339GASKET, OIL STRAINER
35410BODY ASSY, TRANSMISSION VALVE
sub35410-52181
35418VALVE, MANUAL
35423PISTON, B-2 ACCUMULATOR
35423BRING, O (FOR B-2 ACCUMULATOR PISTON)
LOWER
UPPER
35423ESPRING, COMPRESSION (FOR B-2 ACCMULATOR PISTON)
35425APISTON, C-2 ACCUMULATOR
35425BSPRING, COMPRESSION (FOR C-2 ACCUMULATOR PISTON)
35425CRING, O (FOR C-2 ACCUMULATOR PISTON)
LOWER
UPPER
35426DPISTON, C-3 ACCUMULATOR
35426ESPRING, COMPRESSION (FOR C-3 ACCUMULATOR PISTON)
35426FRING, O (FOR C-3 ACCUMULATOR PISTON)
LOWER
UPPER
35599COVER, MANUAL DETENT SPRING
9010506028
main90105-06028
9010506069
main90105-06069
9010506072
main90105-06072
9010506272
main90105-06272
9010506273
main90105-06273
9151180614
main91511-80614
27 parts on this diagram · 2 diagrams in section