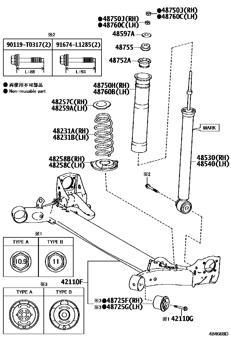
REAR SPRING & SHOCK ABSORBER

42110FBEAM ASSY, REAR AXLE
main42110-0D421iNCP151..GCC..G;NCP151..(GCC,GEN,PH)..(D,R);NCP150,NSP152..(GCC,GEN,TAIW,TH)..(D,G,R)201310-201508
sub42110-0D422
sub42110-0D432
sub42110-0D491
sub42110-0D501
BRUNEI SPEC
42110GBOLT (FOR REAR AXLE BEAM)
TYPE B:REFER ILLUST.
main90119-T0598iNSP152..HTWCB;NSP150,151..LHD..(GCC,GEN)..R;NSP150,151..CVT..(GEN,VN)..(D,G)..A201709-202302
TYPE A:REFER ILLUST.
48231ASPRING, COIL, REAR RH
URUGUAY SPEC
ROUGH ROAD AREA SPEC-ENGINE UNDER COVER=PLASTIC
ROUGH ROAD AREA SPEC-ENGINE UNDER COVER=STEEL,WITH(HEIGHT UP)
48231BSPRING, COIL, REAR LH
URUGUAY SPEC
ROUGH ROAD AREA SPEC-ENGINE UNDER COVER=PLASTIC
ROUGH ROAD AREA SPEC-ENGINE UNDER COVER=STEEL,WITH(HEIGHT UP)
48257CINSULATOR, REAR COIL SPRING, UPPER RH
48258BINSULATOR, REAR COIL SPRING, LOWER RH
48258CINSULATOR, REAR COIL SPRING, LOWER LH
48259AINSULATOR, REAR COIL SPRING, UPPER LH
48530ABSORBER ASSY, SHOCK, REAR RH
MARK 48530-0D570
MARK 48530-0D660
MARK 48530-0D670
MARK 48530-0D780
MARK 48530-0D790,BRUNEI SPEC
MARK 48530-0D830
MARK 48530-0DC50
MARK 48530-0DC80
MARK 48530-0DC90
MARK 48530-0DD80
MARK 48530-0DE00
MARK 48530-0DE20
MARK 48530-0DE70
MARK 48530-0DF50
main48530-0DG90iNSP152..HTWCB;NSP150,151..LHD..(GCC,GEN)..R;NSP150,151..CVT..(GEN,VN)..(D,G)..A201903-202302
MK.-0DG90 OR -0DF50
MARK 48530-0DD40,CHILE SPEC
48540ABSORBER ASSY, SHOCK, REAR LH
MARK 48530-0D570
MARK 48530-0D660
MARK 48530-0D670
MARK 48530-0D780
MARK 48530-0D790,BRUNEI SPEC
MARK 48530-0D830
MARK 48530-0DC50
MARK 48530-0DC80
MARK 48530-0DC90
MARK 48530-0DD80
MARK 48530-0DE00
MARK 48530-0DE20
MARK 48530-0DE70
MARK 48530-0DF50
main48530-0DG90iNSP152..HTWCB;NSP150,151..LHD..(GCC,GEN)..R;NSP150,151..CVT..(GEN,VN)..(D,G)..A201903-202302
MK.-0DG90 OR -0DF50
MARK 48530-0DD40,CHILE SPEC
48597ARETAINER, REAR SHOCK ABSORBER CUSHION
48725FBUSH, REAR AXLE CARRIER, RH
TYPE A:REFER ILLUST.
TYPE B:REFER ILLUST.
48725GBUSH, REAR AXLE CARRIER, LH
TYPE A:REFER ILLUST.
main48725-0D120iNSP151..PH,VN;NSP150..GEN..G;NCP150,NSP151..TAIW..V;NCP15#,NSP152..GCC,GEN,PH,TH,VN201310-202011
TYPE B:REFER ILLUST.
48750HSUPPORT ASSY, REAR SUSPENSION, RH
sub48750-0D061
sub48750-0D210
sub48750-0D161
ROUGH ROAD AREA SPEC-ENGINE UNDER COVER=STEEL,WITH(HEIGHT UP)
48750JNUT(FOR REAR SUPPORT TO REAR SHOCK ABSORBER RH)
main90170-T0011iNSP152..HTWC;NSP150,151..GCC..G;NSP151..(D,G,V)..(C,H);NSP151..CVT..(IDN,VN)..R;NSP150,151..(AGT,BZ)..(D,R)201310-202302
(L)
(J)
48752ASTOPPER, REAR SUSPENSION SUPPORT
48755SUPPORT, REAR SUSPENSION
48760BSUPPORT ASSY REAR SUSPENSION, LH
sub48750-0D061
sub48750-0D210
sub48750-0D161
ROUGH ROAD AREA SPEC-ENGINE UNDER COVER=PLASTIC
48760CNUT(FOR REAR SUPPORT TO REAR SHOCK ABSORBER LH)
(L)
(J)
90119T0317
main90119-T0317
91674L1285
main91674-L1285
21 parts on this diagram · 1 diagram in section