E
EPC Data

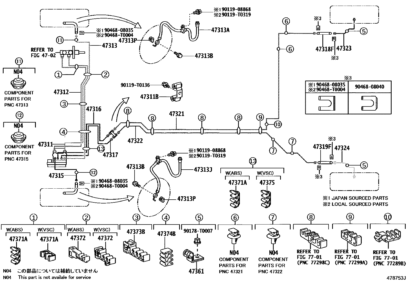
BRAKE TUBE & CLAMP

Parts diagram
4702
47311TUBE, FRONT BRAKE, NO.1
main47311-0D540i201310-201708
main47311-0D570i201403-201708
main47311-0D630i201409-201604
main47311-0D650i201403-201609
main47311-0D780i201709-202302
main47311-0D790i201607-201708
main47311-0D800supersedes 47311-0D570i201710-202108
PERU SPEC
main47311-0D810i201607-201708
main47311-0D830i201605-201802
main47311-0D870i201802-202108
main47311-0D880i201804-202101
main47311-0DA60i201806-201910
main47311-0DA70i201806-201910
main47311-0DB20i201904-202011
main47311-0D580i201403-201606
LATIN AMERICA SPEC&ABS-WITHOUT
47311BWAY, NO.1(FOR FRONT BRAKE TUBE)
main90412-10260i201310-201708
main90412-10285i201802-202108
47312TUBE, FRONT BRAKE, NO.2
main47312-0D470i201310-201606
main47312-0D500i201403-201606
main47312-0D560i201409-201604
main47312-0D580i201403-201609
main47312-0D710i201709-202302
main47312-0D720i201607-201708
main47312-0D730supersedes 47312-0D500i201710-202108
PERU SPEC
main47312-0D740i201710-202009
main47312-0D760i201605-201802
main47312-0D800i201802-202108
main47312-0D810i201804-202101
main47312-0D890i201806-201910
main47312-0DA00i201806-201910
main47312-0DA50i201904-202011
main47312-0D510i201403-201606
LATIN AMERICA SPEC&ABS-WITHOUT
47313TUBE, FRONT BRAKE, NO.3
main47313-0D460i201710-202108
main47313-0D490i201710-202108
main47313-0D550i201409-201604
main47313-0D570i201403-201712
main47313-0D690i201709-202302
main47313-0D700i201607-201708
main47313-0D710i201710-202009
main47313-0D730i201605-201802
main47313-0D760i201802-202108
main47313-0D770i201804-202101
main47313-0D820i201806-201910
main47313-0D840i201806-201910
main47313-0D870i201904-202011
main47313-0D500i201403-201606
LATIN AMERICA SPEC&ABS-WITHOUT
47313AHOSE, FLEXIBLE, NO.1(FOR FRONT)
main90947-T2081i201709-202108
main90947-T2119i201806-201910
47313BBOLT, UNION(FOR FRONT FLEXIBLE HOSE)
main90401-10058×2i201310-201604
47313JHOSE, FLEXIBLE, NO.2(FOR FRONT)
main90947-T2082i201310-201604
main90947-T2120i201806-201910
47313PGASKET(FOR FRONT FLEXIBLE HOSE)
main47389-50021×2i201310-201802
47315TUBE, FRONT BRAKE, NO.5
main47315-0D470i201310-201708
main47315-0D500i201710-202302
main47315-0D530i201409-201604
main47315-0D550i201403-201712
main47315-0D670i201709-202207
main47315-0D680i201607-201708
main47315-0D690i201710-202009
main47315-0D710i201605-201802
main47315-0D740i201802
main47315-0D750i201804-202101
main47315-0D800i201806-201910
main47315-0D820i201806-201910
main47315-0D850i201904-202011
main47315-0D490i201403-201708
LATIN AMERICA SPEC&ABS-WITHOUT
47316TUBE, FRONT BRAKE, NO.6
main47316-0D360i201310-201606
main47316-0D390i201403-201708
main47316-0D440i201409-201604
main47316-0D470i201403-201609
main47316-0D580i201709-202302
main47316-0D590i201607-201708
main47316-0D600i201607-201708
main47316-0D620i201605-201802
main47316-0D650i201802-202108
main47316-0D660i201804-202101
main47316-0D710i201806-201910
main47316-0D730i201806-201910
main47316-0D760i201904-202011
main47316-0D460i201403-201606
LATIN AMERICA SPEC&ABS-WITHOUT
47317TUBE, FRONT BRAKE, NO.7
main47317-0D360i201710-202108
main47317-0D390i201710-202108
main47317-0D440i201409-201604
main47317-0D460i201403-201609
main47317-0D580i201709-202302
main47317-0D590i201607-201708
main47317-0D600i201607-201708
main47317-0D620i201605-201802
main47317-0D650i201802
main47317-0D660i201804-202101
main47317-0D710i201806-201910
main47317-0D730i201806-201910
main47317-0D760i201904-202011
main47317-0D400i201403-201606
LATIN AMERICA SPEC&ABS-WITHOUT
47318TUBE, FRONT BRAKE, NO.8
main47318-0D010i201403-201606
LATIN AMERICA SPEC&ABS-WITHOUT
47318FHOSE, FLEXIBLE(FOR REAR RH)
main90947-T2083i201310-201704
main90947-T2151i201704-201802
47319TUBE, FRONT BRAKE, NO.9
main47319-0D010i201403-201606
LATIN AMERICA SPEC&ABS-WITHOUT
47319FHOSE, FLEXIBLE(FOR REAR LH)
main90947-T2084i201310-201712
main90947-T2152i201804-202101
47321TUBE, REAR BRAKE, NO.1
main47321-0D360i201709-202302
main47321-0D370i201904-202011
main47321-0D400i201409-201802
main47321-0D410i201802
main47321-0D460i201806-201910
47322TUBE, REAR BRAKE, NO.2
main47322-0D360i201709-202302
main47322-0D370i201904-202011
main47322-0D400i201804-202101
main47322-0D410i201403-201712
main47322-0D460i201806-201910
47323TUBE, REAR BRAKE, NO.3
main47323-0D220i201310-201708
main47323-0D230i201904-202011
main47323-0D240i201710-202108
main47323-0D250i201904-202011
main47323-0D280i201409-201802
main47323-0D300i201409-201604
main47323-0D310i201802
main47323-0D320supersedes 47323-0D320i201802
BRUNEI SPEC
main47323-0D370i201806-201910
47324TUBE, REAR BRAKE, NO.4
main47324-0D220i201709-202207
main47324-0D230i201904-202011
main47324-0D240i201710-202207
main47324-0D250i201904-202011
main47324-0D280i201804-202101
main47324-0D300i201409-201604
main47324-0D310i201403-201609
main47324-0D320supersedes 47324-0D320i201403-201712
main47324-0D370i201806-201910
47361CLAMP, TUBE
main90461-10843×2i201806-201910
main90461-C0002×2i201409-201604
main90461-T0006×2i201310-201606
47371ACLAMP, BRAKE TUBE, NO.1
main90464-00857i201605-201708
main90464-00868i201403-201708
main90464-00899i201709-202302
47372CLAMP, BRAKE TUBE, NO.2
main90464-00925supersedes 90949-01969i202009-202302
COSTA RICA SPEC
main90949-01969i201403-201802
main90949-01D02i201710-202108
main90949-01D84i201709
47373BCLAMP, BRAKE TUBE, NO.3
main90949-01D18×2i201710-202302
main90949-01D83i201310-201606
main90949-01D85i201709-202207
47374BCLAMP, BRAKE TUBE, NO.4
main90464-00925i201709-202302
main90949-01969i201310-201712
main90464-00883i201607-201708
ABS-WITHOUT
47375CLAMP, BRAKE TUBE, NO.5
main90464-00868i201709-202302
7701
9011908868
90119T0136
90119T0319
90178T0007
9046808035
9046808040
90468T0004

34 parts on this diagram · 13 diagrams in section

BRAKE TUBE & CLAMP — Toyota Parts Diagram with OEM Numbers & Prices | EPC Data