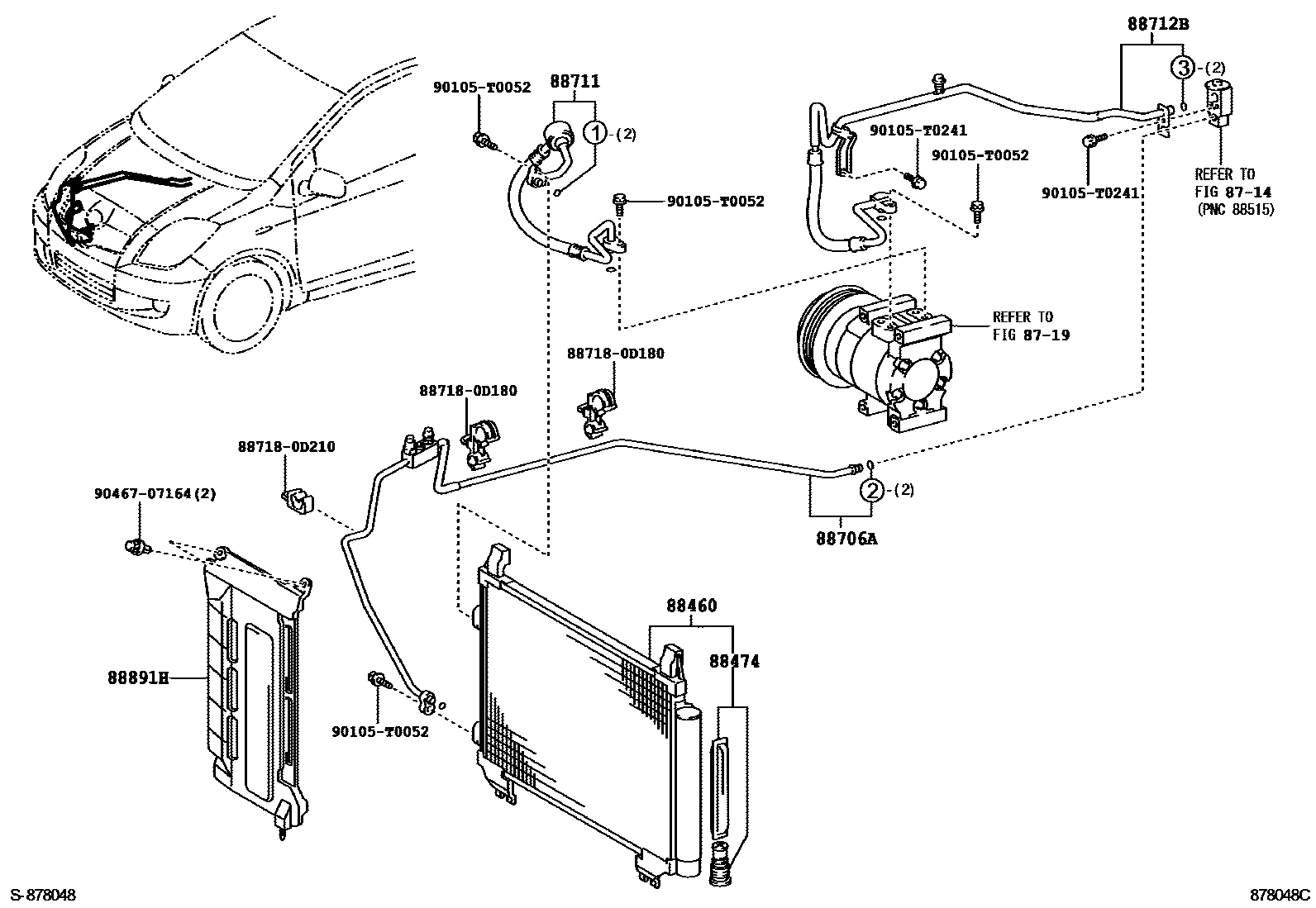
HEATING & AIR CONDITIONING - COOLER PIPING

8714
8719
88460CONDENSER ASSY, COOLER
FRONT AIR CONDITIONER-DEALER KIT
SINGAPORE SPEC
SINGAPORE SPEC&FRONT AIR CONDITIONER-DEALER KIT
SINGAPORE SPEC
88474DRYER, COOLER
SINGAPORE SPEC
SINGAPORE SPEC&FRONT AIR CONDITIONER-DEALER KIT
FRONT AIR CONDITIONER-DEALER KIT
88706ATUBE SUB-ASSY, LIQUID, A
FRONT AIR CONDITIONER-DEALER KIT
SINGAPORE SPEC&FRONT AIR CONDITIONER-DEALER KIT
88711HOSE, COOLER REFRIGERANT DISCHARGE, NO.1
FRONT AIR CONDITIONER-DEALER KIT
SINGAPORE SPEC&FRONT AIR CONDITIONER-DEALER KIT
88712BHOSE, COOLER REFRIGERANT SUCTION
FRONT AIR CONDITIONER-DEALER KIT
SINGAPORE SPEC&FRONT AIR CONDITIONER-DEALER KIT
88891HCOVER, COOLER, NO.1
SINGAPORE SPEC
887180D180PIPE, COOLER REFRIGERANT SUCTION, NO.2
main88718-0D180
887180D210PIPE, COOLER REFRIGERANT SUCTION, NO.2
main88718-0D210
90105T0052
main90105-T0052
90105T0241
main90105-T0241
9046707164
main90467-07164
13 parts on this diagram · 5 diagrams in section