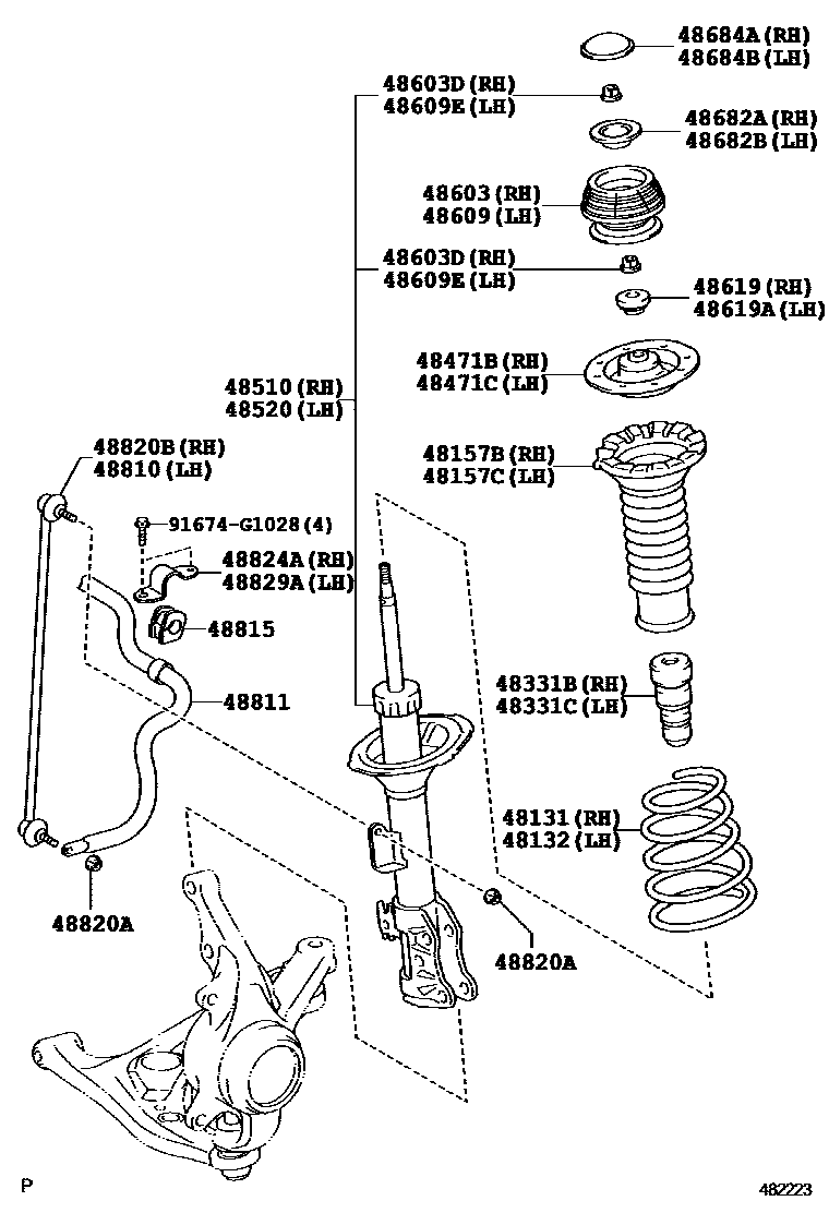
FRONT SPRING & SHOCK ABSORBER

48131SPRING, FRONT COIL, RH
S LIMITED PACKAGE
48132SPRING, FRONT COIL, LH
S LIMITED PACKAGE
48157BINSULATOR, FRONT COIL SPRING, UPPER RH
48157CINSULATOR, FRONT COIL SPRING, UPPER LH
48331BBUMPER, FRONT SPRING, RH
48331CBUMPER, FRONT SPRING, LH
48471BSEAT, FRONT COIL SPRING, UPPER RH
48471CSEAT, FRONT COIL SPRING, UPPER LH
48510ABSORBER ASSY, SHOCK, FRONT RH
MARK 48510-0D201
MARK 48510-0D213
MARK 48510-0D220
MARK 48510-0D220,S LIMITED PACKAGE
MARK 48510-0D230
MARK 48510-0D300
sub48510-09X21
MARK 48510-0D301
sub48510-09X22
MARK 48510-0D302
48520ABSORBER ASSY, SHOCK, FRONT LH
MARK 48520-0D041
MARK 48520-0D053
MARK 48520-0D060
MARK 48520-0D060,S LIMITED PACKAGE
MARK 48520-0D070
MARK 48520-0D140
sub48520-09Q21
MARK 48520-0D141
sub48520-09Q22
MARK 48520-0D142
48603SUPPORT SUB-ASSY, FRONT SUSPENSION, RH
48603DNUT(FOR FRONT SUPPORT TO FRONT SHOCK ABSORBER RH)
48609SUPPORT SUB-ASSY, FRONT SUSPENSION, LH
48609ENUT(FOR FRONT SUPPORT TO FRONT SHOCK ABSORBER LH)
48619BEARING, STRUT MOUNTING, RH
48619ABEARING, STRUT MOUNTING, LH
48684ACOVER, FRONT SUSPENSION SUPPORT DUST, RH
48684BCOVER, FRONT SUSPENSION SUPPORT DUST, LH
48810LINK ASSY, FRONT STABILIZER, LH
48811BAR, STABILIZER, FRONT
48820ANUT(FOR FRONT STABILIZER LINK)
48820BLINK ASSY, FRONT STABILIZER, RH
48824ABRACKET, FRONT STABILIZER, NO.1 RH
48829ABRACKET, FRONT STABILIZER, NO.1 LH
91674G1028
28 parts on this diagram · 1 diagram in section