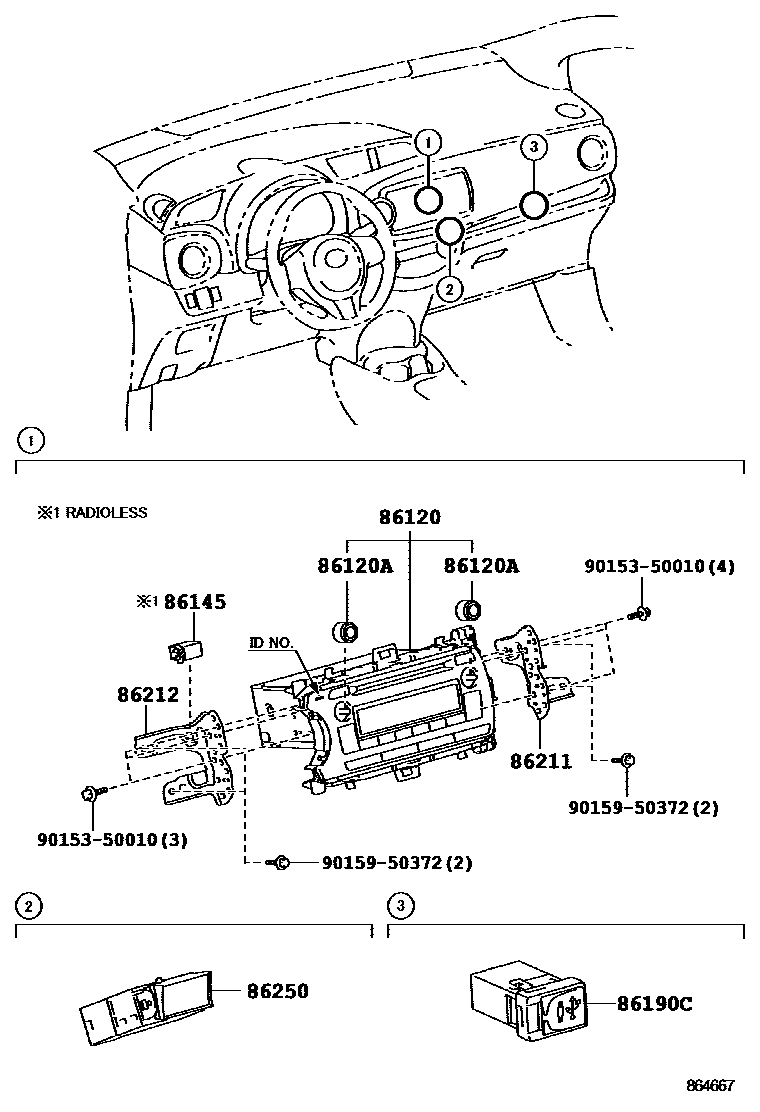
RADIO RECEIVER & AMPLIFIER & CONDENSER

86120RECEIVER ASSY, RADIO
PANASONIC,ID=52897
PANASONIC,ID=52895,AUDIO(FOR OVERSEAS MARKET)-CD 4SPEAKER AM=5KHZ STEP
PANASONIC,ID=52896,AUDIO(FOR OVERSEAS MARKET)-CD 4SPEAKER AM=10KHZ STEP
PANASONIC,ID=528A0,AUDIO(FOR OVERSEAS MARKET)-CD 4SPEAKER AM=5KHZ STEP
86120AKNOB, RADIO RECEIVER SWITCH
AUDIO-CD & 6SPEAKER & BLUETOOTH
86145CONNECTOR, ANTENNA MALE
86190CADAPTER ASSY, STEREO JACK, NO.1
AUDIO-CD & 6SPEAKER & BLUETOOTH
86211BRACKET, RADIO, NO.1
AUDIO(FOR OVERSEAS MARKET)-RADIO LESS & 4SPEAKER
86212BRACKET, RADIO, NO.2
AUDIO(FOR OVERSEAS MARKET)-RADIO LESS & 4SPEAKER
86250MICROPHONE ASSY, AMPLIFIER
AUDIO-CD & 6SPEAKER & BLUETOOTH
9015350010
main90153-50010
9015950372
main90159-50372
9 parts on this diagram · 4 diagrams in section