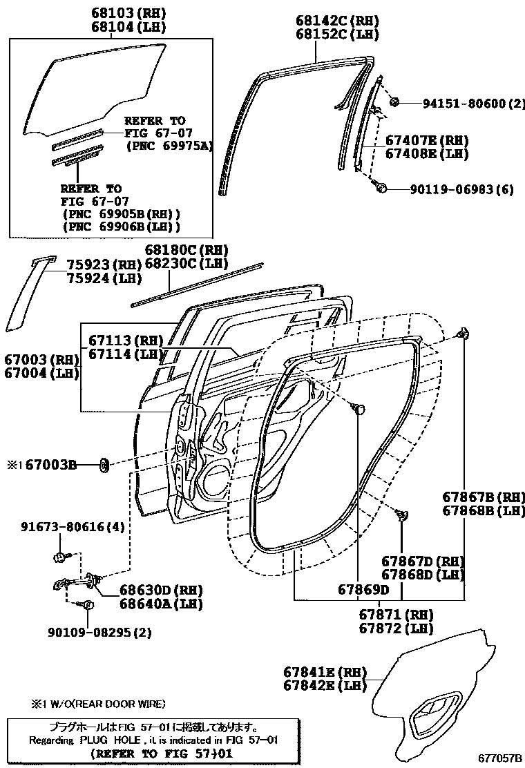
REAR DOOR PANEL & GLASS

5701
67003PANEL SUB-ASSY, REAR DOOR, RH
67003BGROMMET(FOR REAR DOOR PANEL)
AUDIO(FOR OVERSEAS MARKET)-RADIO LESS 2SPEAKER,LH,RH
67004PANEL SUB-ASSY, REAR DOOR, LH
6707
67113PANEL, REAR DOOR, OUTER RH
67114PANEL, REAR DOOR, OUTER LH
67407EBAR SUB-ASSY, REAR DOOR WINDOW DIVISION, RH
67408EBAR SUB-ASSY, REAR DOOR WINDOW DIVISION, LH
67841ECOVER, REAR DOOR SERVICE HOLE, RH
AUDIO(FOR OVERSEAS MARKET)-RADIO LESS 4SPEAKER
67842ECOVER, REAR DOOR SERVICE HOLE, LH
AUDIO(FOR OVERSEAS MARKET)-RADIO LESS 4SPEAKER
67867BCLIP, DOOR WEATHERSTRIP(FOR REAR DOOR)
67867DRETAINER, REAR DOOR WEATHERSTRIP, RH
67868BCLIP, DOOR GLASS WEATHERSTRIP(FOR REAR DOOR)
67868DRETAINER, REAR DOOR WEATHERSTRIP, LH
67869DCLIP, DOOR WEATHERSTRIP
67871WEATHERSTRIP, REAR DOOR, RH
67872WEATHERSTRIP, REAR DOOR, LH
68103GLASS SUB-ASSY, REAR DOOR, RH
*UVCT,T=3.1,GREEN
BACK GLASS-PRIVACY
68104GLASS SUB-ASSY, REAR DOOR, LH
BACK GLASS-PRIVACY
68142CRUN, REAR DOOR GLASS, RH
68152CRUN, REAR DOOR GLASS, LH
68180CWEATHERSTRIP ASSY, REAR DOOR GLASS, OUTER RH
68230CWEATHERSTRIP ASSY, REAR DOOR GLASS, OUTER LH
68630DCHECK ASSY, REAR DOOR, RH
68640ACHECK ASSY, REAR DOOR, LH
75923TAPE, BLACK OUT, NO.2 RH
75924TAPE, BLACK OUT, NO.2 LH
9010908295
main90109-08295
9011906983
main90119-06983
9167380616
main91673-80616
9415180600
main94151-80600
32 parts on this diagram · 2 diagrams in section