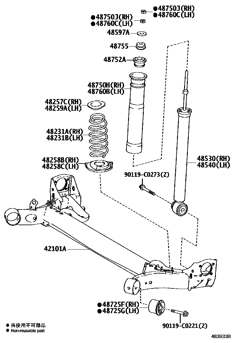
REAR SPRING & SHOCK ABSORBER

48257CINSULATOR, REAR COIL SPRING, UPPER RH
48258BINSULATOR, REAR COIL SPRING, LOWER RH
48258CINSULATOR, REAR COIL SPRING, LOWER LH
48259AINSULATOR, REAR COIL SPRING, UPPER LH
48530ABSORBER ASSY, SHOCK, REAR RH
MARK 48530-0D720
MARK 48530-0D760
48540ABSORBER ASSY, SHOCK, REAR LH
MARK 48530-0D720
MARK 48530-0D760
48597ARETAINER, REAR SHOCK ABSORBER CUSHION
48725FBUSH, REAR AXLE CARRIER, RH
48725GBUSH, REAR AXLE CARRIER, LH
48750JNUT(FOR REAR SUPPORT TO REAR SHOCK ABSORBER RH)
48752ASTOPPER, REAR SUSPENSION SUPPORT
48755SUPPORT, REAR SUSPENSION
48760CNUT(FOR REAR SUPPORT TO REAR SHOCK ABSORBER LH)
90119C0221
main90119-C0221
90119C0273
main90119-C0273
20 parts on this diagram · 1 diagram in section