HEATING & AIR CONDITIONING - COMPRESSOR

1605
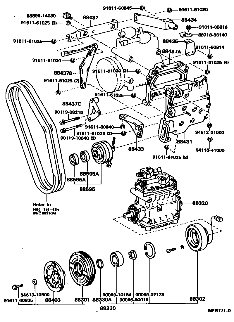
88301ROTOR SUB-ASSY, MAGNET CLUTCH
HONG KONG SPEC
88302STATOR SUB-ASSY, MAGNET CLUTCH
HONG KONG SPEC
HONG KONG SPEC
88320COMPRESSOR ASSY, COOLER
HONG KONG SPEC
sub88320-36171
sub88320-36181
sub88320-36H90
sub88320-36H90
sub88320-36H90
88330AWASHER (FOR MAGNET CLUTCH)
HONG KONG SPEC
88403HUB SUB-ASSY, MAGNET CLUTCH
HONG KONG SPEC
HONG KONG SPEC
88432BRACKET, COMPRESSOR MOUNTING, NO.2
88433BRACKET, COMPRESSOR MOUNTING, NO.3
88434BRACKET, COMPRESSOR MOUNTING, NO.4
88435BRACKET, COMPRESSOR MOUNTING, NO.5
88437AATTACHMENT, COMPRESSOR
HONG KONG SPEC
88437BATTACHMENT, COMPRESSOR, NO.1
88437CATTACHMENT, COMPRESSOR, NO.2
88595PULLEY, COOLER COMPRESSOR IDLE
HONG KONG SPEC
88595ABEARING (FOR COOLER IDLE PULLEY)
HONG KONG SPEC
8871836140PIPE, COOLER REFRIGERANT SUCTION, NO.2
main88718-36140
8889914030COVER, EVAPORATOR
main88899-14030
9009690019
main90096-90019
9009907123
main90099-07123
9009910164
main90099-10164
9011908216
main90119-08216
9011910040
main90119-10040
9161160814
main91611-60814
9161160816
main91611-60816
9161160835
main91611-60835
9161160840
main91611-60840
9161160845
main91611-60845
9161161020
main91611-61020
9161161025
main91611-61025
9161161030
main91611-61030
9161161035
main91611-61035
9411041000
main94110-41000
9451201000
main94512-01000
9461310800
main94613-10800
36 parts on this diagram · 11 diagrams in section