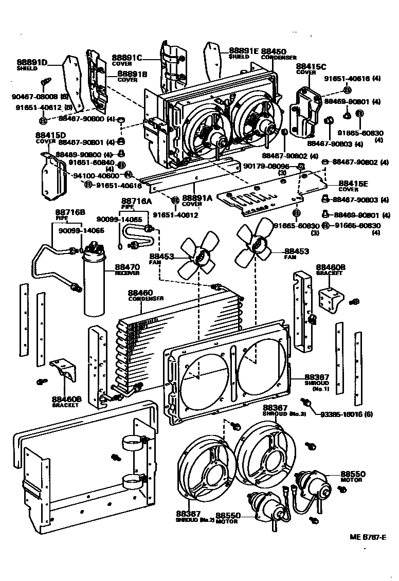
HEATING & AIR CONDITIONING - COOLER PIPING

88367SHROUD, COOLER BLOWER FAN
NO.1
NO.1,HONG KONG SPEC
NO.2
NO.2,HONG KONG SPEC
NO.3
NO.3,HONG KONG SPEC
88415CCOVER, DUST, NO.1
HONG KONG SPEC
88415DCOVER, DUST, NO.2
HONG KONG SPEC
88450CONDENSER ASSY, W/RECEIVER
OVER HEAT & WATER PROOF SPEC
sub88450-90B09
OVER HEAT PROOF SPEC
sub88450-90B11
STD SPEC
OVERHEAT & WATER PROOF SPEC
STD SPEC
OVERHEAT & WATER PROOF SPEC
88453FAN, COOLING (FOR CONDENSER)
HONG KONG SPEC
88460BBRACKET, COOLER CONDENSER, NO.1
HONG KONG SPEC
88470RECEIVER & DRYER ASSY, COOLER
HONG KONG SPEC
88550MOTOR ASSY, BLOWER (FOR CONDENSER)
STD SPEC
OVER HEAT & WATER PROOF SPEC
STD SPEC,HONG KONG SPEC
STD SPEC
STD SPEC
OVER HEAT & WATER PROOF SPEC
OVER HEAT PROOF SPEC
OVER HEAT PROOF SPEC
88716APIPE, COOLER REFRIGERANT LIQUID, A
HONG KONG SPEC
88716BPIPE, COOLER REFRIGERANT LIQUID, B
HONG KONG SPEC
88891APACKING A (FOR COOLER)
HONG KONG SPEC
88891BPACKING B (FOR COOLER)
HONG KONG SPEC
W/GRIDE DOOR
88891CPACKING C (FOR COOLER)
HONG KONG SPEC
88891DPACKING D (FOR COOLER)
HONG KONG SPEC
88891EPACKING E (FOR COOLER)
HONG KONG SPEC
8846790B00CUSHION, COOLER CONDENSER, NO.1
main88467-90B00
8846790B01CUSHION, COOLER CONDENSER, NO.1
main88467-90B01
8846790B02CUSHION, COOLER CONDENSER, NO.1
main88467-90B02
8846790B03CUSHION, COOLER CONDENSER, NO.1
main88467-90B03
8846990B00SWITCH, PRESSURE CONTROL
main88469-90B00
8846990B01SWITCH, PRESSURE CONTROL
main88469-90B01
9009914065
main90099-14065
9017908096
main90179-08096
9046708008
main90467-08008
9165140612
main91651-40612
9165140616
main91651-40616
9165160840
main91651-60840
9166560830
main91665-60830
9338516016
main93385-16016
9410040600
main94100-40600
32 parts on this diagram · 7 diagrams in section