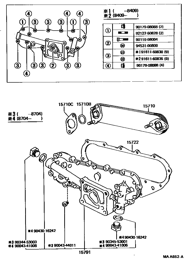
ENGINE OIL COOLER

15710BRING, O(FOR OIL COOLER)
9004341006
main90043-41006
9004344011
main90043-44011
9011008004
main90110-08004
9017908088
main90179-08088
9034453003
main90344-53003
9034553001
main90345-53001
9043016242
main90430-16242
9161160830
main91611-60830
9161160835
main91611-60835
9212260828
main92122-60828
9453100800
main94531-00800
16 parts on this diagram · 6 diagrams in section