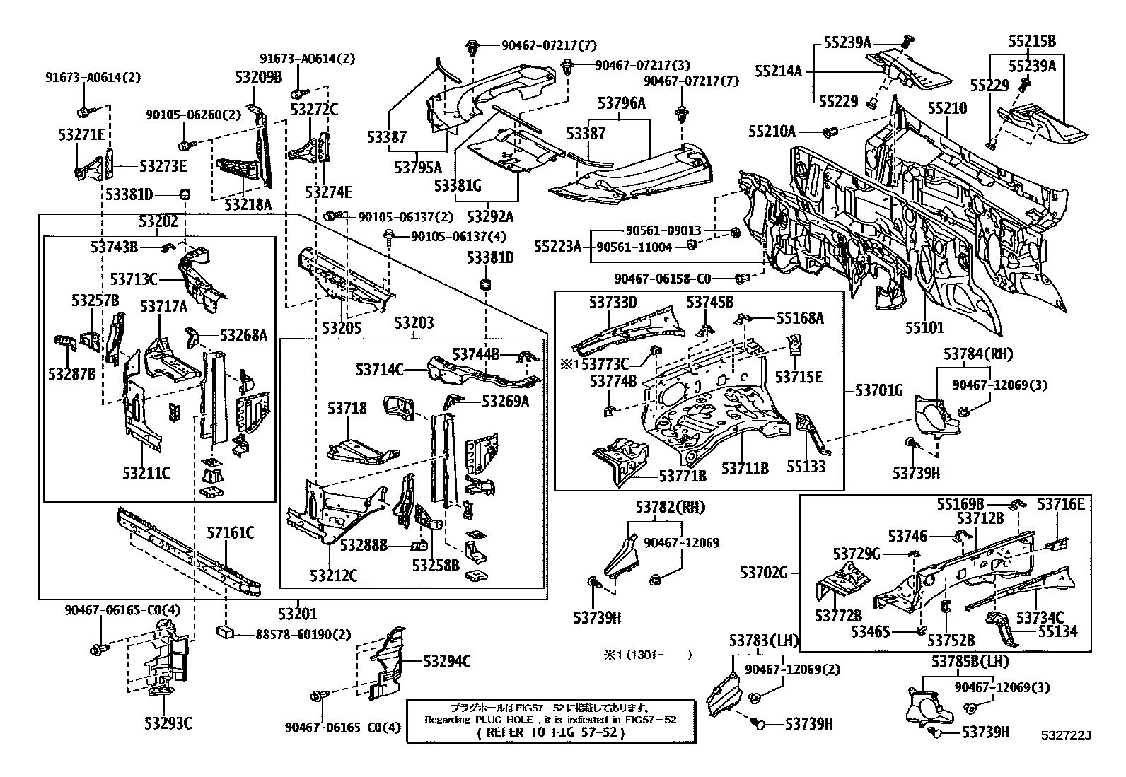
FRONT FENDER APRON & DASH PANEL

53201SUPPORT SUB-ASSY, RADIATOR
53202SUPPORT SUB-ASSY, RADIATOR, RH
53203SUPPORT SUB-ASSY, RADIATOR, LH
53205SUPPORT SUB-ASSY, RADIATOR, UPPER
53209BBRACE SUB-ASSY, HOOD LOCK SUPPORT
53211CSUPPORT, RADIATOR, RH
53212CSUPPORT, RADIATOR, LH
53218ASUPPORT, RADIATOR, LOWER
53257BBRACKET, RADIATOR SUPPORT TO FRONT FENDER
53258BBRACKET, RADIATOR SUPPORT TO FRONT FENDER, LH
53268AREINFORCEMENT, RADIATOR MOUNTING, RH
53269AREINFORCEMENT, RADIATOR MOUNTING, LH
53271EBRACKET, HEADLAMP MOUNTING, RH
53272CBRACKET, HEADLAMP MOUNTING, LH
53273EBRACKET, FRONT BUMPER ARM MOUNTING, RH
53274EBRACKET, FRONT BUMPER ARM MOUNTING, LH
53287BEXTENSION, RADIATOR SUPPORT, RH
53288BEXTENSION, RADIATOR SUPPORT, LH
53293CDEFLECTOR, RADIATOR SIDE, RH
53294CDEFLECTOR, RADIATOR SIDE, LH
53381DBUMPER, HOOD TO FRONT SHROUD
53381GSEAL, HOOD TO RADIATOR SUPPORT, NO.1
53387SEAL, HOOD TO RADIATOR SUPPORT
53465BRACKET,WASHER TANK
53701GAPRON SUB-ASSY, FRONT FENDER, RH
53702GAPRON SUB-ASSY, FRONT FENDER, LH
53711BAPRON, FRONT FENDER, FRONT RH
53712BAPRON, FRONT FENDER, FRONT LH
53713CEXTENSION, FRONT FENDER APRON, FRONT RH
53714CEXTENSION, FRONT FENDER APRON, FRONT LH
53715EEXTENSION, FRONT FENDER APRON, REAR RH
53716EEXTENSION, FRONT FENDER APRON, REAR LH
53717APLATE, FENDER APRON
53718PLATE, FENDER APRON, LH
53729GBRACKET, FENDER APRON, LH
53733DMEMBER, FRONT APRON TO COWL SIDE, LOWER FRONT RH
53734CMEMBER, FRONT APRON TO COWL SIDE, LOWER FRONT LH
53739HCLIP(FOR FRONT FENDER APRON SEAL)
53743BREINFORCEMENT, FRONT FENDER APRON, FRONT RH
53744BREINFORCEMENT, FRONT FENDER APRON, FRONT LH
53745BREINFORCEMENT, FRONT FENDER APRON, REAR RH
53746REINFORCEMENT, FRONT FENDER APRON, REAR LH
53752BBRACKET, WASHER TANK MOUNTING
53772BSUPPORT, BATTERY CARRIER, LH
53773CBRACKET, AIR CLEANER MOUNTING
53774BBRACKET, AIR CLEANER MOUNTING, NO.2
53782PACKING, FRONT FENDER APRON TRIM, A
53783PACKING, FRONT FENDER APRON TRIM, B
53784PACKING, FRONT FENDER APRON TRIM, C
53785BPACKING, FRONT FENDER APRON TRIM, D
53795ACOVER, ENGINE ROOM, SIDE
53796ACOVER, ENGINE ROOM SIDE, LH
55101PANEL SUB-ASSY, DASH
55133PLATE, FRONT FENDER APRON SET, LOWER RH
55134PLATE, FRONT FENDER APRON SET, LOWER LH
55168ABRACKET, FRONT FENDER MOUNTING, RH
55169BBRACKET, FRONT FENDER MOUNTING, LH
55210INSULATOR ASSY, DASH PANEL
55210ACLIP
55214APAD, DASH PANEL INSULATOR, NO.2
55215BPAD, DASH PANEL INSULATOR, NO.3
55223AINSULATOR, DASH PANEL, OUTER
55229PLATE, DASH PANEL INSULATOR, NO.4
55239APLATE, DASH PANEL INSULATOR, NO.3
57161CMEMBER, FRONT CROSS
5752
8857860190PAKING, COOLER AIR DUCT
main88578-60190
9010506137
main90105-06137
9010506260
main90105-06260
9046706158C0
main90467-06158C0
9046706165C0
main90467-06165C0
9046707217
main90467-07217
9046712069
main90467-12069
9056109013
main90561-09013
9056111004
main90561-11004
91673A0614
main91673-A0614
78 parts on this diagram · 2 diagrams in section