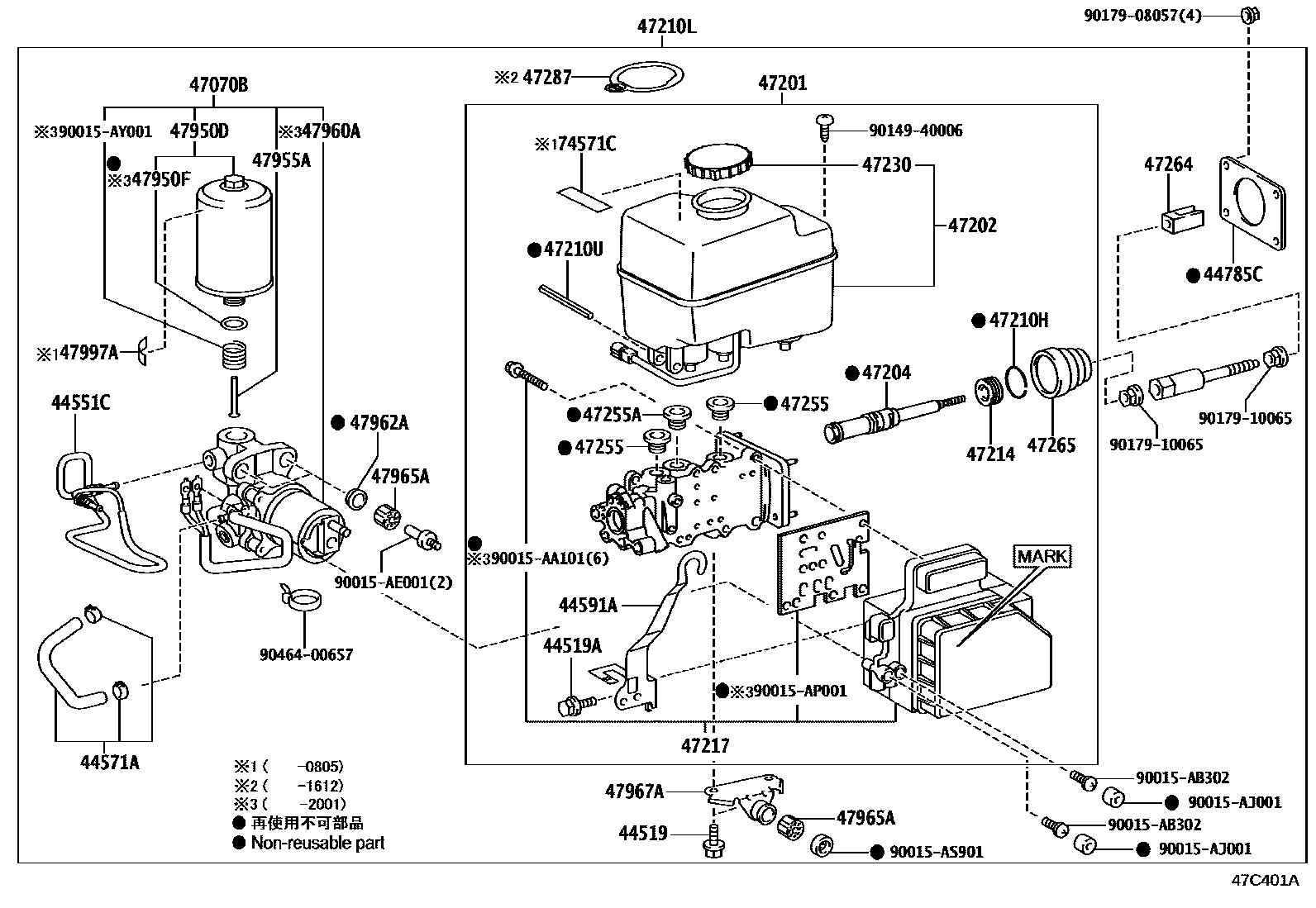
BRAKE MASTER CYLINDER

44519BOLT, BRAKE ACTUATOR
PRE-COLLISION SYSTEM-MILLIMETER WAVE RADAR
44519ABOLT(FOR BRAKE BOOSTER PUMP)
PRE-COLLISION SYSTEM-MILLIMETER WAVE RADAR
44551CTUBE, BRAKE ACTUATOR, NO.1
PRE-COLLISION SYSTEM-MILLIMETER WAVE RADAR
44571AHOSE, BRAKE ACTUATOR, NO.1
PRE-COLLISION SYSTEM-MILLIMETER WAVE RADAR
44591ABRACKET, BRAKE ACTUATOR, NO.1
PRE-COLLISION SYSTEM-MILLIMETER WAVE RADAR
44785CGASKET, BRAKE BOOSTER
PRE-COLLISION SYSTEM-MILLIMETER WAVE RADAR
47070BPUMP ASSY, BRAKE BOOSTER W/ACCUMULATOR
sub47070-60060
PRE-COLLISION SYSTEM-MILLIMETER WAVE RADAR
47202RESERVOIR SUB-ASSY, BRAKE MASTER CYLINDER
PRE-COLLISION SYSTEM-MILLIMETER WAVE RADAR
47204PISTON, MASTER CYLINDER
PRE-COLLISION SYSTEM-MILLIMETER WAVE RADAR
47210HRING, SNAP(FOR BRAKE MASTER CYLINDER)
PRE-COLLISION SYSTEM-MILLIMETER WAVE RADAR
47210LBRAKE BOOSTER ASSY, W/MASTER CYLINDER
MARK=89541-60160
MARK=89541-60270
MARK=89541-60321
sub47050-60671
sub47050-60672
sub47050-60673
47210UPIN, STRAIGHT(FOR BRAKE MASTER CYLINDER)
PRE-COLLISION SYSTEM-MILLIMETER WAVE RADAR
47214PLUG, MASTER CYLINDER
PRE-COLLISION SYSTEM-MILLIMETER WAVE RADAR
47217SOLENOID, MASTER CYLINDER
MARK=89541-60270
MARK=89541-60321
sub47217-60561
sub47217-60562
sub47217-60563
47255GROMMET, MASTER CYLINDER RESERVOIR
PRE-COLLISION SYSTEM-MILLIMETER WAVE RADAR
47255AGROMMET, MASTER CYLINDER RESERVOIR, NO.2
PRE-COLLISION SYSTEM-MILLIMETER WAVE RADAR
47264CLEVIS, MASTER CYLINDER PUSH ROD
PRE-COLLISION SYSTEM-MILLIMETER WAVE RADAR
47265BOOT, MASTER CYLINDER
PRE-COLLISION SYSTEM-MILLIMETER WAVE RADAR
47950DACCUMULATOR ASSY, BRAKE BOOSTER
PRE-COLLISION SYSTEM-MILLIMETER WAVE RADAR
47950FRING, O(FOR BRAKE BOOSTER ACCUMULATOR)
PRE-COLLISION SYSTEM-MILLIMETER WAVE RADAR
47955APIPE, BRAKE BOOSTER ACCUMULATOR
PRE-COLLISION SYSTEM-MILLIMETER WAVE RADAR
47962ACOLLAR, BRAKE BOOSTER PUMP
PRE-COLLISION SYSTEM-MILLIMETER WAVE RADAR
47965ABUSH, BRAKE BOOSTER PUMP
PRE-COLLISION SYSTEM-MILLIMETER WAVE RADAR
47967ABRACKET, BRAKE BOOSTER PUMP, NO.1
PRE-COLLISION SYSTEM-MILLIMETER WAVE RADAR
47997ALABEL, ACCUMULATOR CAUTION, NO.1
74571CLABEL, BRAKE FLUID INFORMATION
90015AA101
main90015-AA101
90015AB302
main90015-AB302
90015AE001
main90015-AE001
90015AJ001
main90015-AJ001
90015AP001
main90015-AP001
90015AS901
main90015-AS901
90015AY001
main90015-AY001
9014940006
main90149-40006
9017908057
main90179-08057
9017910065
main90179-10065
9046400657
main90464-00657
41 parts on this diagram · 1 diagram in section