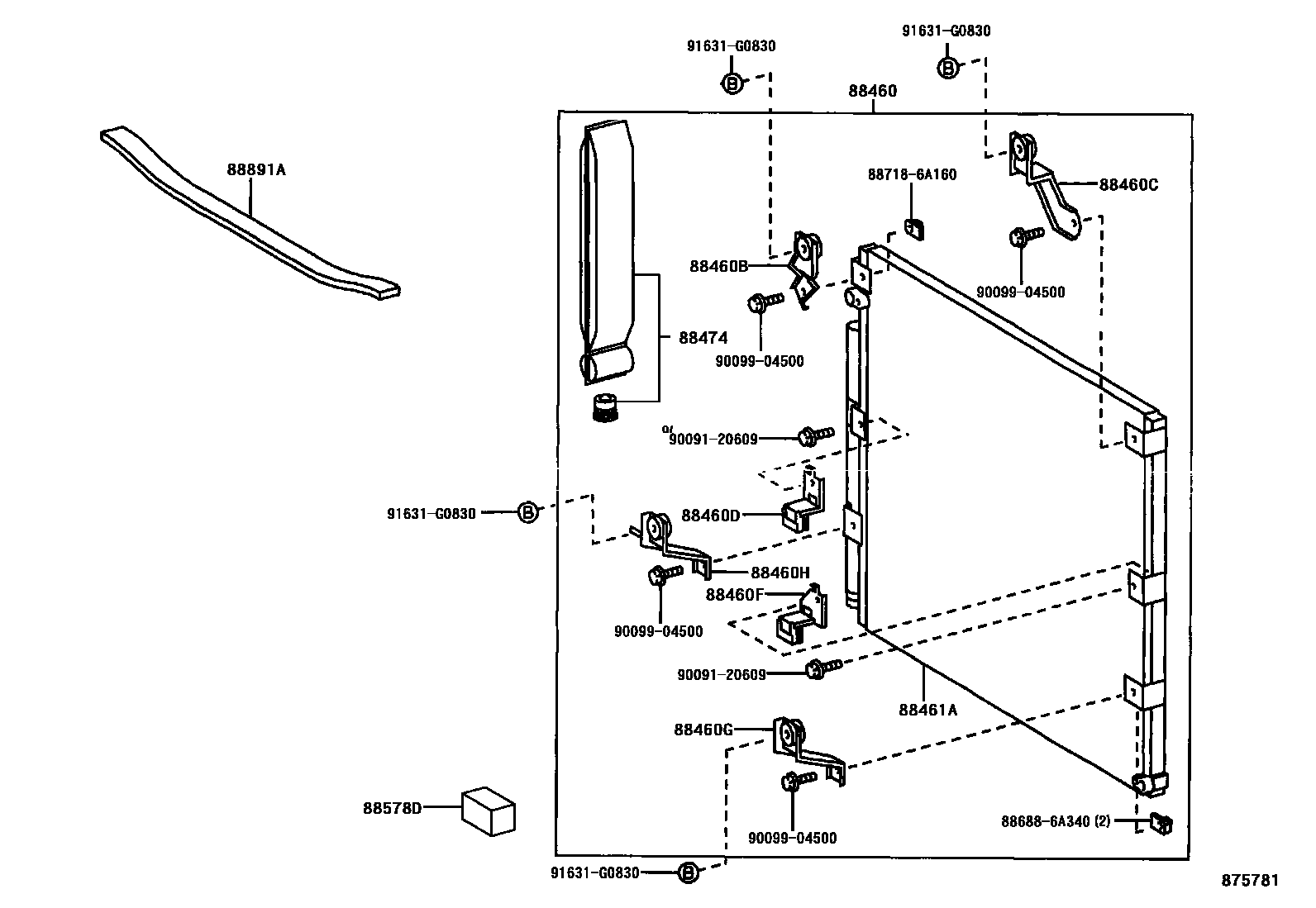
HEATING & AIR CONDITIONING - COOLER PIPING

88460CONDENSER ASSY, COOLER
88460BBRACKET, COOLER CONDENSER, NO.1
88460CBRACKET, COOLER CONDENSER, NO.2
88460DBRACKET, COOLER CONDENSER, NO.3
88460FBRACKET, COOLER CONDENSER, NO.4
88460GBRACKET, COOLER CONDENSER, NO.5
88460HBRACKET, COOLER CONDENSER, NO.6
88461ACORE, COOLER CONDENSER
88474DRYER, COOLER
88578DPACKING, COOLER PIPE, NO.1
88891APACKING A (FOR COOLER)
886886A340BRACKET, COOLER DIAPHRAGM
main88688-6A340
887186A160PIPE, COOLER REFRIGERANT SUCTION, NO.2
main88718-6A160
9009120609
main90091-20609
9009904500
main90099-04500
91631G0830
main91631-G0830
16 parts on this diagram · 6 diagrams in section