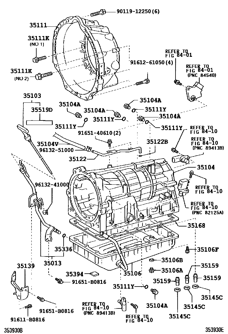
TRANSMISSION CASE & OIL PAN (ATM)

35013TUBE SUB-ASSY, TRANSMISSION OIL FILLER
35103GAGE SUB-ASSY, TRANSMISSION OIL LEVEL
35104APLUG, AUTOMATIC TRANSMISSION CASE
35104VHOSE (FOR BREATHER PLUG)
35106PAN SUB-ASSY, AUTOMATIC TRANSMISSION OIL
35111HOUSING, AUTOMATIC TRANSMISSION
35111KBOLT (FOR TRANSMISSION HOUSING & CASE SETTING)
*10-1.5PX35-30,NO.1
*10-1.50PX35-29.3,NO.1
*12-1.75PX45-30,NO.2
*12-1.75PX38-30,NO.2
35111YRING, O (FOR AUTOMATIC TRANSMISSION CASE)
35122TUBE, BREATHER (FOR AUTOMATIC TRANSAXLE)
35122BRING, O (FOR AUTOMATIC TRANSAXLE BREATHER TUBE UNION)
35139BRACKET, OIL FILLER TUBE
35159GASKET, BRAKE DRUM
35168GASKET, AUTOMATIC TRANSMISSION OIL PAN
35336RING, O (FOR TRANSMISSION OIL FILLER TUBE)
35394MAGNET, OIL CLEANER (FOR TRANSMISSION)
35519DLABEL, AUTOMATIC TRANSMISSION INFORMATION
8401
8410
9011912250
main90119-12250
91611B0816
main91611-B0816
9161261050
main91612-61050
9165140610
main91651-40610
91651B0816
main91651-B0816
9613241000
main96132-41000
9613251000
main96132-51000
30 parts on this diagram · 2 diagrams in section