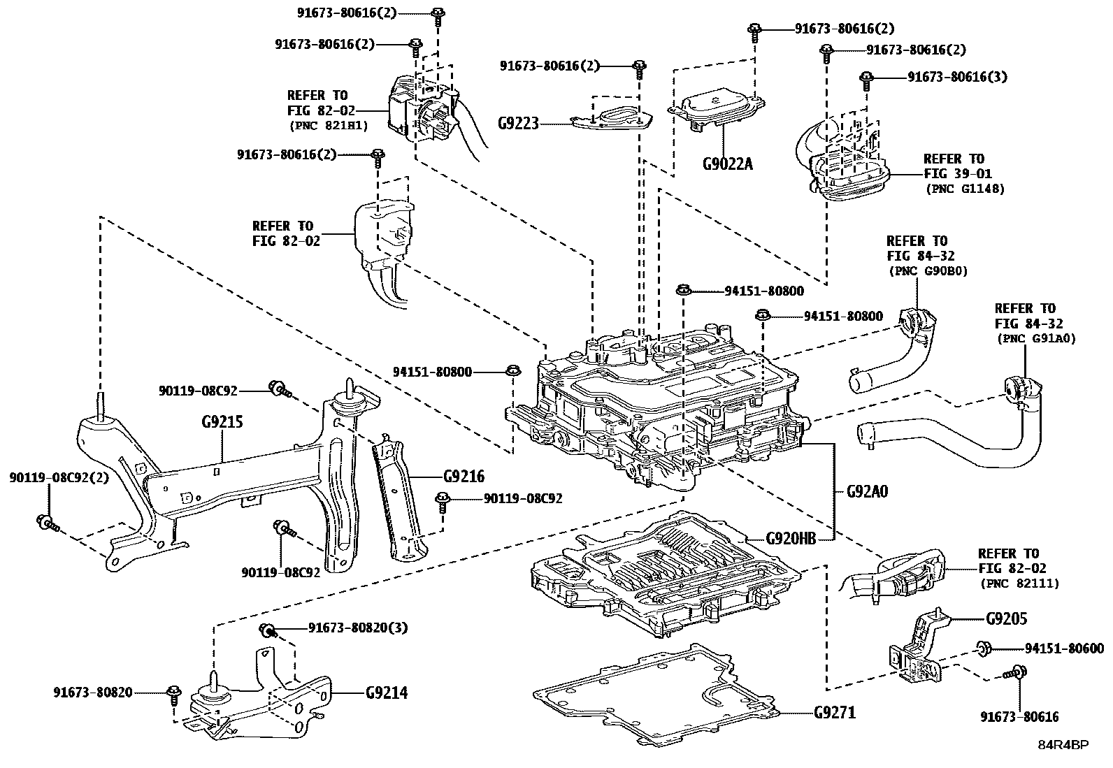
HEV INVERTER

3901
8202
8432
G9022ACOVER SUB-ASSY, INVERTER, UPPER
G9205PLATE SUB-ASSY, INVERTER BUS-BAR
G920HBCONVERTER SET, HYBRID VEHICLE
G9216BRACKET, INVERTER, NO.3
G9223COVER, INVERTER TERMINAL
G9271COVER, CONVERTER
G92A0INVERTER ASSY, HYBRID MOTOR CONTROL
9011908C92
main90119-08C92
9167380616
main91673-80616
9167380820
main91673-80820
9415180600
main94151-80600
9415180800
main94151-80800
17 parts on this diagram · 2 diagrams in section