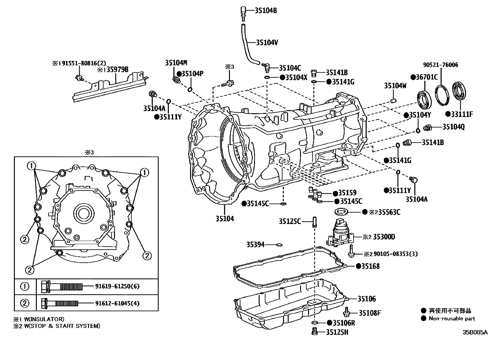
TRANSMISSION CASE & OIL PAN (ATM)

33111FSEAL, OIL(FOR TRANSMISSION CASE)
35104CASE SUB-ASSY, AUTOMATIC TRANSMISSION
35104APLUG, AUTOMATIC TRANSMISSION CASE
35104BPLUG, BREATHER, NO.1 (ATM)
35104CPLUG, BREATHER, NO.2 (ATM)
35104MPLUG, REFILL(ATM)
35104PGASKET, REFILL PLUG(ATM)
35104QPLUG, NO.1 (FOR TRANSAXLE CASE)
35104VHOSE (FOR BREATHER PLUG)
35104WPIN, STRAIGHT (FOR TRANSAXLE CASE)
35104XRING, O (FOR BREATHER PLUG)
35104YRING, O (FOR AUTOMATIC TRANSMISSION CASE)
35106PAN SUB-ASSY, AUTOMATIC TRANSMISSION OIL
35106RGASKET (FOR AUTOMATIC TRANSMISSION OIL PAN)
35108FBOLT, W/WASHER
35111YRING, O (FOR AUTOMATIC TRANSMISSION CASE)
35125CTUBE, TRANSMISSION OIL FILLER, NO.1
35125HPLUG, OVERFLOW(ATM)
35141BPLUG (FOR AUTOMATIC TRANSMISSION CASE)
35141GRING, O (FOR AUTOMATIC TRANSMISSION CASE)
35145CGASKET, TRANSAXLE CASE
35159GASKET, BRAKE DRUM
35168GASKET, AUTOMATIC TRANSMISSION OIL PAN
35300DPUMP ASSY, OIL W/MOTOR
35394MAGNET, OIL CLEANER (FOR TRANSMISSION)
35563CSEAL, OIL PUMP
SAUDI ARABIA SPEC&EXH.EMISSION CONTROL-EURO5,WITH(ON BOARD DIAGNOSIS&EGR),*680
SAUDI ARABIA SPEC&EXH.EMISSION CONTROL-EURO5,WITH(ON BOARD DIAGNOSIS),*680
35979BINSULATOR, TRANSMISSION, RH
EXH.EMISSION CONTROL-EURO6C,WITHOUT(OBD),WITH(EGR)
EXHAUST EMISSION CONTROL-EURO 5, WITH(ON BOARD DIAGNOSIS & EGR)
EXH.EMISSION CONTROL-EURO5,WITH(ON BOARD DIAGNOSIS&EGR),*680
36701CBEARING, BALL
9010508353
main90105-08353
9052176006
main90521-76006
9155180816
main91551-80816
9161261045
main91612-61045
9161961250
main91619-61250
33 parts on this diagram · 3 diagrams in section